Foram encontradas 610 questões.
Um circuito elétrico de corrente alternada, que solicita 100 kVA de potência aparente, possui relação de reatância indutiva pela resistência !$ \large - {X \over R} !$igual a !$ \large - {3^{0,5} \over 3} !$
A potência ativa solicitada por esse circuito é igual a
Provas
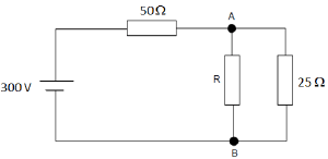
A figura a seguir apresenta um circuito de corrente contínua.

Um circuito equivalente entre os pontos A e B, que fornece a mesma tensão e a mesma corrente elétrica do circuito original ao resistor R, é formado por
Provas
José ajuizou ação trabalhista contra a sociedade empresária Gama, sua antiga empregadora, visando à cobrança de salários atrasados, horas-extras trabalhadas, 13º salário, e, ainda, licença-prêmio não gozada por necessidade do serviço.
O juiz deu provimento aos pedidos e José recebeu todas as verbas com o desconto do Imposto sobre Renda Pessoa Física – IRPF.
Sobre a hipótese descrita, assinale a afirmativa correta.
Provas
- Fundamentos da Saúde OcupacionalCAT: Comunicação de Acidente de Trabalho
- Fundamentos da Saúde OcupacionalDORT: Doenças do Trabalho e Doenças Profissionais
Provas
Provas
Provas
Provas
Provas
Provas
Provas
Caderno Container