Foram encontradas 30 questões.

A figura acima ilustra um conversor CC/CA, conhecido como inversor de frequência trifásico alimentado por tensão. No lado da tensão contínua, está conectada uma fonte de tensão (Fonte CC). A saída de tensão alternada é obtida nos terminais A, B e C, conforme indicado na própria figura (Saída CA). Suponha que a Saída CA esteja conectada a um filtro passivo e sintetize uma tensão senoidal trifásica equilibrada através de modulação por largura de pulso.
A esse respeito, considere as afirmativas abaixo.
I - A operação do conversor da figura acima permite o acionamento simultâneo das chaves semicondutoras Q1 e Q4.
II - O fluxo de energia do conversor da figura acima é bidirecional, podendo existir tanto no sentido da Fonte CC para a Saída CA, quanto no sentido da Saída CA para a Fonte CC.
III - O valor da tensão na Fonte CC pode ser maior que o valor de pico das tensões senoidais sintetizadas na Saída CA.
Está correto APENAS o que se afirma em
Provas

A figura acima ilustra a forma de onda de uma fonte de tensão senoidal. O período da forma de onda é de 12,5 ms, e o ângulo inicial está mostrado na própria figura.
Qual é a expressão matemática, indicando os ângulos positivos e em radianos, que representa a forma de onda nessas condições?
Provas

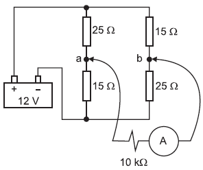
No circuito elétrico da figura acima, um amperímetro de resistência interna desprezível, associado em série com uma resistência de 10 kΩ, é conectado entre os pontos a e b. No amperímetro, o sentido convencional da corrente elétrica flui de
Provas

O diodo zener da figura acima tem 6 V de tensão nominal. A fonte de corrente i é variável. Qual o menor valor positivo da corrente i da fonte, em A, a partir do qual o diodo zener começa a conduzir?
Provas

No circuito elétrico CC, mostrado na figura acima, a expressão da tensão medida no ponto A é
Provas
Considere a figura de uma planilha do Microsoft Excel 2007.

Após aplicar determinado comando ao conteúdo selecionado, o resultado apresentado foi o seguinte:

Pelo resultado apresentado, o comando aplicado foi
Provas
No país X, a moeda é o PAFE e, no país Y, a moeda é o LUVE. Se 1,00 PAFE é equivalente a 0,85 LUVES, então 17,00 LUVES equivalem a quantos PAFES?
Provas
José é funcionário de uma imobiliária e gosta muito de Matemática. Para fazer uma brincadeira com um colega, resolveu escrever as áreas de cinco apartamentos que estão à venda em unidades de medida diferentes, como mostra a tabela abaixo.
|
apartamento |
área |
| I |
0,000162 km2 |
| II |
180 m2 |
| III |
12.800 dm2 |
| IV |
950.000 cm2 |
| V |
100.000.000 mm2 |
Em seguida, pediu ao colega que organizasse as áreas dos cinco apartamentos em ordem crescente.
O colega de José respondeu corretamente ao desafio proposto apresentando a ordem
Provas
Em um supermercado, a carne é acondicionada em embalagens com uma etiqueta contendo o preço unitário (o preço de 1 kg de carne), o peso líquido (a quantidade de carne contida na embalagem) e o total a ser pago. Certo dia, a balança eletrônica apresentou problemas e algumas etiquetas foram impressas com defeito, sendo omitidas algumas informações. As Figuras I e II representam as etiquetas de duas embalagens do mesmo tipo de carne, com defeitos de impressão.

O peso líquido, em kg, registrado na etiqueta representada na Figura II é
Provas
Qual é o menor valor inteiro que satisfaz a desigualdade apresentada a seguir?
9x + 2(3x − 4) > 11x − 14
Provas
Caderno Container