Foram encontradas 30 questões.
- Modelo OSIIntrodução ao Modelo OSI
- Modelo OSIModelo OSI: Camada de Enlace
- Modelo TCP/IPIntrodução ao Modelo TCP/IP
Considere as afirmativas a seguir, a respeito de modelos de redes.
I - O modelo TCP/IP ou Internet apresenta o mesmo número de camadas do modelo OSI, diferindo apenas no nome delas.
II - O nível de enlace do modelo OSI tem, entre suas atribuições, a detecção de erros de transmissão entre dispositivos conectados diretamente por um meio de comunicação.
III - Uma rede, com meio físico compartilhado entre os dispositivos comunicantes, deve implementar uma subcamada de acesso ao meio (MAC) dentro de seu nível de enlace.
É(São) correta(s) APENAS a(s) afirmativa(s)
Provas
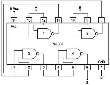
Circuito Lógico

Considerando o circuito lógico acima, dadas as entradas A e B, qual o resultado simplificado em sua saída S?
Provas
Utilizando-se da conversão de bases, o resultado da expressão 459d + 191h, na base 2, é
Provas
Disciplina: Segurança e Saúde no Trabalho (SST)
Banca: CESGRANRIO
Orgão: CMB
A NR10 estabelece os requisitos e condições mínimas objetivando a implementação de medidas de controle e sistemas preventivos, de forma a garantir a segurança e a saúde dos trabalhadores que, direta ou indiretamente, interajam em instalações elétricas e serviços com eletricidade. A esse respeito, considere as afirmativas abaixo.
I – As operações elementares, como ligar e desligar circuitos elétricos, realizadas em baixa tensão, com materiais e equipamentos elétricos em perfeito estado de conservação, adequados para operação, podem ser realizadas por qualquer pessoa não advertida.
II – Em todos os serviços executados em instalações elétricas, devem ser previstas e adotadas, prioritariamente, medidas de proteção coletiva aplicáveis, mediante procedimentos, às atividades a serem desenvolvidas, de forma a garantir a segurança e a saúde dos trabalhadores.
III – As vestimentas de trabalho devem ser adequadas às atividades, devendo contemplar a condutibilidade a inflamabilidade e as influências eletromagnéticas.
De acordo com a NR10, é(são) correta(s) a(s) afirmativa(s)
Provas
Considerando os motores de indução trifásicos, analise as afirmativas a seguir.
I – Em um motor de anéis, a limitação da corrente de partida é realizada pela inserção de resistências no circuito do rotor, e não por algum dispositivo entre a rede de alimentação e o motor, deixando de se alterar a tensão aplicada, de modo que o torque máximo não seja afetado.
II – Como no motor de gaiola não há anéis de acesso ao circuito do rotor, para poder variar suas características, são feitas variações construtivas, no formato da ranhura e no material usado nos condutores do rotor, de forma a alterar a relação entre torque e velocidade, caracterizando assim o comportamento do motor.
III – O motor de categoria D é chamado motor de utilização geral, construído para o uso com velocidade constante.
É(São) correta(s) a(s) afirmativa(s)
Provas
Para um sistema de aterramento, é de primordial importância o conhecimento prévio das características do solo, principalmente no que diz respeito à homogeneidade de sua constituição. Um método utilizado para medir a resistividade do solo de forma a avaliar a homogeneidade de sua constituição é
Provas
Disciplina: Segurança e Saúde no Trabalho (SST)
Banca: CESGRANRIO
Orgão: CMB
O acidente mais comum a que estão submetidas as pessoas, principalmente aquelas que trabalham em processos industriais, ou desempenham tarefas de manutenção e operação de sistemas industriais, é o toque casual em partes metálicas energizadas, ficando o corpo ligado eletricamente sob tensão entre fase e terra. A esse respeito, analise as afirmativas abaixo.
I – O corpo humano, quando em contato com partes metálicas (massa) acidentalmente energizadas, fica sujeito a uma tensão denominada tensão de contato ou de choque.
II – Para evitar o choque por contato, pode-se utilizar um disjuntor diferencial residual onde, de acordo com a NBR 5.410, esse dispositivo deve ser sensibilizado para uma corrente de fuga não inferior a 30 mA.
III – Quando um indivíduo se encontra sobre uma malha de terra e, através dessa, está fluindo naquele instante uma determinada corrente de defeito, ele fica submetido a uma tensão entre os dois pés, denominada tensão de passo, mesmo não estando em contato com nenhum equipamento.
É(São) correta(s) a(s) afirmativa(s)
Provas
NÃO corresponde a uma necessidade na instalação de transformadores em paralelo:
Provas

O valor da resistência equivalente, REQ, vista dos pontos a e b, é
Provas
Uma sala de uma grande empresa tem 15 m de comprimento por 10 m de largura e 3,10 m de pé-direito. Sabendo-se que o índice de iluminamento desejado é de 500 lux, que a luminária escolhida contém um fator de depreciação de 0,625, e essa luminária utiliza 4 lâmpadas de 2.500 lumens cada, qual a quantidade mínima de luminárias para atender a essas condições, considerando um coeficiente de utilização de 0,40?
Provas
Caderno Container