Magna Concursos

Foram encontradas 780 questões.

1932305 Ano: 2020
Disciplina: TI - Desenvolvimento de Sistemas
Banca: DIRENS Aeronáutica
Orgão: CIAAR

É muito importante que o analista tenha uma justificativa para todas as alterações propostas nos trabalhos de melhoria e de desenho de processos. Nada pode ser deixado ao acaso e tudo deverá ter uma razão de ser.

Nesse sentido, os produtos resultantes da fase de desenho do novo processo são

 

Provas

Questão presente nas seguintes provas
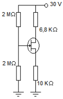
1932268 Ano: 2020
Disciplina: Engenharia Eletrônica
Banca: DIRENS Aeronáutica
Orgão: CIAAR

Observe o circuito a seguir.

Enunciado 2685264-1

Fonte: Arquivo Banca Elaboradora.

Considerando o circuito a seguir com um valor mínimo de VGS = - 3V, qual será o valor de sua tensão de dreno relativo ao terra?

 

Provas

Questão presente nas seguintes provas
1932265 Ano: 2020
Disciplina: Engenharia Civil
Banca: DIRENS Aeronáutica
Orgão: CIAAR
Provas:

Leia o texto a seguir.

Classificação PEI para pisos cerâmicos

O PEI (Porcelain Emanel Institute) é a sigla que representa o nome do instituto que regulamentou as normas para a classificação de resistência à abrasão, ou seja, ao desgaste superficial da superfície esmaltada causada, principalmente, pelo tráfego de pessoas. É o PEI, que conforme norma, orienta que tipo de cerâmica utilizar em um determinado ambiente. Quanto maior o PEI, maior é a resistência da cerâmica ao desgaste, ao efeito abrasivo.

(Disponível em: <https://pedreirao.com.br/pei-das-ceramicas-passo-a-passo/>.

Acesso em: 04/03/2020. Modificado)

Com relação ao texto acima, é correto afirmar que a/o

 

Provas

Questão presente nas seguintes provas
1932243 Ano: 2020
Disciplina: Engenharia Eletrônica
Banca: DIRENS Aeronáutica
Orgão: CIAAR

De acordo com o teorema de Fortescue (FORTESCUE, 1918), três fasores desequilibrados de um sistema trifásico podem ser decompostos em três sistemas equilibrados de fasores.

Em um conjunto equilibrado de componentes, os de sequência negativa consistem em três fasores

 

Provas

Questão presente nas seguintes provas
1932224 Ano: 2020
Disciplina: TI - Desenvolvimento de Sistemas
Banca: DIRENS Aeronáutica
Orgão: CIAAR

Quando s e fala em desenvolvimento de sofware, deve-se pensar em processo. Um processo, ou método, é definido para se obter sofwares cada vez mais rápidos, de forma controlada e organizada.

Um objetivo dos métodos ou processos de desenvolvimento de software é a

 

Provas

Questão presente nas seguintes provas
1932220 Ano: 2020
Disciplina: Odontologia
Banca: DIRENS Aeronáutica
Orgão: CIAAR
Provas:

Existem casos de pacientes que apresentam discrepâncias esqueléticas e são considerados limítrofes entre o tratamento ortodôntico de compensação (camuflagem) e o tratamento ortodôntico cirúrgico corretivo. Esse grupo de pacientes poderia então ser tratado de ambas as formas, sendo importante que o paciente seja orientado sobre as probabilidades de obter melhores ou piores resultados dependendo das características individuais de cada caso.

É incorreto afirmar que as características que apresentam maior probabilidade de maus resultados em casos de camuflagem ortodôntica é a/o

 

Provas

Questão presente nas seguintes provas
1932210 Ano: 2020
Disciplina: TI - Desenvolvimento de Sistemas
Banca: DIRENS Aeronáutica
Orgão: CIAAR

Observe o código a seguir na linguagem Python:

def processar(n):

if n < 0:

print(“Valor incorreto”)

elif n == 1:

return 0

elif n == 2:

return 1

else:

return processar(n - 1) + processar(n - 2)

print(processar(3))

A partir desses dados, é correto afirmar que a saída exibida em tela pelo código Python quando executado é

 

Provas

Questão presente nas seguintes provas
1932195 Ano: 2020
Disciplina: Legislação Federal
Banca: DIRENS Aeronáutica
Orgão: CIAAR

Preencha corretamente as lacunas.

De acordo com o Código Brasileiro de Aeronáutica, considera-se aeronave todo aparelho manobrável em voo, que possa sustentar-se e circular no espaço aéreo, mediante reações aerodinâmicas, apto a transportar pessoas ou coisas.

A aeronave é um bem ________________ registrável para o efeito de nacionalidade, matrícula, aeronavegabilidade, transferência por ato _____________, constituição de ____________________, _________________ e cadastramento geral.

A sequência que preenche corretamente as lacunas é

 

Provas

Questão presente nas seguintes provas
1932174 Ano: 2020
Disciplina: Fisioterapia
Banca: DIRENS Aeronáutica
Orgão: CIAAR
Provas:

A avaliação fisioterapêutica da marcha e do uso de dispositivos auxiliares é de grande relevância, essencialmente no caso dos idosos. O profissional deve atentar-se para a medição e o ajuste de bengalas, muletas e andadores.

A referência correta a ser considerada é que o topo da bengala deve estar no nível da/do

 

Provas

Questão presente nas seguintes provas
1932164 Ano: 2020
Disciplina: Odontologia
Banca: DIRENS Aeronáutica
Orgão: CIAAR
Provas:

Antes do advento do condicionamento ácido de esmalte e o desenvolvimento dos sistemas adesivos dentinários, a restauração de cavidades só podia ser realizada às custas de retenções macromecânicas.

A esse respeito, informe se é verdadeiro (V) ou falso (F) o que se afirma.

( ) Com a idade, os poros do esmalte diminuem à medida que os cristais incorporam mais íons e aumentam de tamanho.

( ) O colapso das fibrilas de colágeno é um fenômeno reversível pelo simples umedecimento da superfície de dentina com água.

( ) O ácido fosfórico age na superfície do esmalte alterando o contorno superficial da região ao remover totalmente uma camada de aproximadamente 10μm, onde estão os cristais quimicamente não reativos e a película adquirida, diminuindo a energia de superfície.

( ) Os solventes presentes no primer são capazes de deslocar o fluido presente na dentina desmineralizada, penetram nos microporos do tecido, participam da evaporação da água presente e deixam os monômeros hidrofóbicos em contato com as fibrilas de colágeno.

A sequência correta é

 

Provas

Questão presente nas seguintes provas