Foram encontradas 630 questões.
Leia o trecho abaixo e, em seguida, assinale a alternativa que preenche correta e respectivamente as lacunas. O fenômeno conhecido como , pode ocorrer em ligas de amálgama que apresentem uma quantidade superior a em peso do elemento .
Provas
Os sistemas emulsionados são formados por componentes aquosos, oleosos e moléculas anfifílicas. As moléculas anfifílicas últimas, juntamente com velocidade e tempo de agitação adequado, permitem a preparação de emulsões estáveis. Assinale a alternativa em que o principal problema de estabilidade nas emulsões está corretamente descrito e definido.
Provas
A entrada de fármacos no organismo, seus deslocamentos entre diferentes sítios e sua saída pressupõem a passagem através de membranas, influenciada pelas características físico-químicas de ambos. Diante do exposto, é correto afirmar que
Provas
Sobre a s características encontradas em molares inclinados e com saúde periodontal, informe se é verdadeiro (V) ou falso (F) o que se afirma. A seguir, assinale a alternativa que apresenta a sequência correta.
( ) A verticalização é necessária para o tratamento protético, já que possibilita a confecção de pilares de próteses paralelos e verticais.
( ) Ocorre migração da inserção conjuntiva e crista óssea para apical, sendo acompanhada pela margem gengival, caracterizando defeito ósseo.
( ) Quando as perdas são bilaterais, os contatos migram para mesial, gerando perda da dimensão vertical, desvio anterior da mandíbula e abertura de diastema no arco inferior.
( ) Pode ocorrer retenção de placa nos molares inclinados e, também, provocar o desenvolvimento de doença periodontal.
Provas
M.S.C. faz uso de warfarina para tratamento de problemas trombolíticos. Após uma forte gripe, procurou o Posto de Atendimento do seu bairro, pois acredita ser dengue. Recebeu a prescrição de um antitérmico e antipirético da classe dos anti-inflamatórios não esteroidais (AINES), com a finalidade de combater os sintomas de febre e dor no corpo. Ao passar pelo atendimento de Atenção Farmacêutica Ambulatorial do Posto de Atendimento, a conduta correta do farmacêutico é de orientar o paciente a
Provas
- CriptografiaCriptografia AssimétricaRSA: Rivest, Shamir and Adelman
- CriptografiaCriptografia SimétricaAES: Advanced Encryption Standard
- CriptografiaCriptografia SimétricaDES: Data Encryption Standard
A criptografia simétrica é caracterizada por utilizar o mesmo par de chaves no processo de codificação e decodificação. Acerca dos algoritmos simétricos, assinale a alternativa incorreta.
Provas
Disciplina: Engenharia Cartográfica
Banca: DIRENS Aeronáutica
Orgão: CIAAR
Sobre as conclusões e/ou definições que podem ser verificadas na topografia, informe se é verdadeiro (V) ou falso (F) o que se afirma abaixo. A seguir, assinale a alternativa que apresenta a sequência correta.
( ) Altura do instrumento é a distância vertical entre 2 planos horizontais.
( ) Azimute é o ângulo formado partindo da linha norte e varia de 0 a 360º.
( ) Ângulo horizontal é a distância horizontal formada entre dois planos verticais.
( ) Visada a ré em um nivelamento pode ser feita para frente, para trás, ou para os lados, portanto, não é a direção da visada que faz com que ela seja a ré, e sim sua finalidade.
Provas
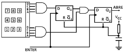
O circuito representado tem como função o acionamento de uma fechadura pela sequência de senhas digitadas a partir do teclado.

A fechadura é aberta quando Q2 é igual a 1. Para isso ocorrer, deve-se digitar o primeiro número, que é convertido em BCD, dar um pulso de clock na entrada ENTER e repetir o processo para o segundo número. O bit D)é o mais significativo (MSB) e o bit A o menos significativo (LSB). A sequência de dígitos que deve ser digitada para abrir a fechadura é
Provas
O prognóstico é a determinação do curso provável, da duração e do resultado do tratamento de uma doença com base no conhecimento geral da patogênese e na presença de fatores de risco. Acerca do prognóstico, assinale a alternativa correta.
Provas
Informe se é verdadeiro (V) ou falso (F) o que se afirma abaixo. A seguir, assinale a alternativa que apresenta a sequência correta.
( ) O formocresol é o medicamento amplamente utilizado na pulpotomia de dentes decíduos, devido à facilidade de utilizá-lo.
( ) O formoaldeído (formol) fixa a polpa subjacente pela interação mecânica da droga com as proteínas celulares.
( ) O glutaraldeído foi proposto como uma alternativa para o formocresol como agente fixador, devido às suas propriedades fixadoras inferiores e antimicrobianas efetivas, aliadas à mínima difusão nos tecidos periapicais.
( ) As propriedades antibacterianas do hidróxido de cálcio têm sido atribuídas ao seu pH fortemente alcalino.
Provas
Caderno Container