Foram encontradas 1.128 questões.
Em relação ao traumatismo da gengiva e mucosa, é correto afirmar que
Provas
Preencha as lacunas e, em seguida, assinale a alternativa correta.
O acúmulo de placa bacteriana e a presença de lesões ativas indicam que o período entre o início da erupção dentária e a oclusão funcional é ___________________ crítico para o início da cárie oclusal. Fatores como a forma coronária e o número de raízes ___________________ o período eruptivo dos molares. Assim, o tempo médio necessário para os molares permanentes entrarem em oclusão funcional é de ________ meses.
Provas
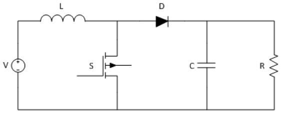
Observe o circuito da figura abaixo. Qual o nome desta topologia?

Provas
Preencha a lacuna e, em seguida, assinale a alternativa correta.
A presença de ______________________________ confirma a indicação cirúrgica obrigatória nos casos de endocardite infecciosa aórtica provocada por Staphylococcus aureus.
Provas
Quanto aos critérios biológicos para remoção de dentina cariada, é correto afirmar que
Provas
A sigla FPGA (Field Programmable Gate Array) designa uma tecnologia para desenvolvimento de hardwares. Sobre este dispositivo é correto afirmar que, exceto:
Provas
A deformidade do “pé torto congênito” obteve diversas hipóteses descritas e estudadas sobre sua etiologia. O diagnóstico é fácil, pois o aspecto externo do pé é bem característico.
Indique a alternativa incorreta em relação ao enunciado.
Provas
Sobre a neutralização do conteúdo séptico em canais radiculares, informe se é verdadeiro (V) ou falso (F) o que se afirma e, em seguida, assinale a alternativa que apresenta a sequência correta.
( ) Nos tratamentos de dentes com necrose pulpar, é de fundamental importância a neutralização do conteúdo séptico antes da realização do preparo biomecânico.
( ) Nos tratamentos de dentes com necrose pulpar, a neutralização prévia do conteúdo séptico pode evitar acidentes infecciosos pós-operatórios.
( ) A neutralização do conteúdo séptico não influencia na prevenção da exacerbação de processos crônicos periapicais de dentes com polpa necrosada.
( ) A neutralização do conteúdo séptico no tratamento de dentes com polpa necrosada auxilia na prevenção de alterações sistêmicas de pacientes com problemas cárdio-vasculares.
Provas
Em relação aos modos essenciais de ventilação empregados, relacione as colunas e, em seguida, assinale a alternativa que apresenta a sequência correta.
(1) Ventilação mecânica controlada (CMV)
(2) Ventilação mecânica assistida (AMV)
(3) Pressão positiva contínua em vias aéreas (CPAP)
(4) Ventilação mandatória intermitente sincronizada (SIMV)
( ) é o modo de respiração espontânea no qual é mantida uma pressão constante nas vias aéreas durante todo o ciclo respiratório.
( ) o aparelho de ventilação pulmonar mecânica (VPM) fornece o número predeterminado de ciclos ventilatórios por minuto.
( ) uma desvantagem desse modo de ventilação é que a respiração do paciente é menos efetiva, tornando mais difícil o desmame.
( ) a frequência respiratória é desencadeada pelo paciente, enquanto o ajuste do volume corrente e da taxa de fluxo é preestabelecido pelo médico.
Provas
Paciente de 41 anos, tabagista, sedentário, com histórico familiar de coronariopatia, dislipdêmico, apresenta precordialgia, com irradiação para ombro esquerdo e suspeita de IAM confirmada pelo médico plantonista. Em relação aos exames que devem ser indicados para confirmação da suspeita, informe se é verdadeiro (V) ou falso (F) o que se afirma e, em seguida, assinale a alternativa que apresenta a sequência correta.
( ) CK-MB.
( ) TGO.
( ) ECG.
( ) CPK.
( ) Troponina.
Provas
Caderno Container