Foram encontradas 2.095 questões.

A encosta de um morro precisa ser reforçada por um muro de arrimo (figura a seguir). Sendo o terrapleno horizontal e o solo arenoso, com peso específico de 1600 kgf/m3 e coeficiente de empuxo ativo igual a 1/3, pode-se dizer que, pelo “Método de Rankine”, o empuxo ativo é igual a
Provas
Estabeleça uma comparação entre as colunas da direita e da esquerda, com relação as soluções estruturais em concreto armado e estruturas metálicas.
( 1 ) Estrutura metálica
( 2 ) Estrutura de concreto armado
( ) Exigem mão de obra menos qualificada.
( ) Os elementos estruturais e de fundação são mais esbeltos geram mais quantidade de entulhos (menos limpa).
( ) Tempo de execução das estruturas é maior.
( ) Apresentam maior facilidade de reforço, sendo mais fáceis de serem reparadas ou modificadas.
Assinale a alternativa que apresenta a sequência correta.
Provas
Os benzodiazepínicos são medicamentos com ações no sistema nervoso central. Sobre eles, assinale a alternativa correta.
Provas
A figura abaixo apresenta o perfil de um rádio-enlace, com a presença de um obstáculo de altura H. Por especificação de projeto, a folga entre a linha de visada das antenas e o obstáculo do terreno deve ser maior ou igual ao raio correspondente à segunda Zona de Fresnel. Considere ainda que o sistema opera em 400 MHz, e que, neste caso, aplica-se o modelo de terra plana. A altura H máxima, em m, que não viola a folga especificada é de

Provas
Segundo o preceituado na NBR 5410, pode-se utilizar as seguintes fontes para sistema de alimentação elétrica para serviços de segurança, exceto.
Provas

O Momento Fletor no vértice E do pórtico da figura acima é de
Provas
Sobre sistemas polifásicos, informe se os itens abaixo são verdadeiros (V) ou falsos (F) e, a seguir, assinale a opção que possui a sequência correta.
( ) Uma carga trifásica em delta consome do sistema menos corrente que uma carga em estrela.
( ) Uma carga monofásica de 10kVA consome a mesma potência que uma carga trifásica de 30kVA.
( ) Uma carga ligada em 220V consome metade da corrente de uma carga conectada em 127V.
( ) Considere uma carga de 50kVA. Se considerarmos I = Ire + jIim sendo a corrente absorvida por essa carga, pode-se afirmar que a inserção de um banco de capacitores em paralelo à carga, levaria a uma redução de Iim.
Provas
Considerando-se a partida para as máquinas de corrente alternada assíncronas, encontre a combinação e assinale a sequência correta.
(1) Partida com inserção de resistência no rotor (para motores de rotor bobinado)
(2) Chave estrela-triângulo
(3) Partida com autotransformador
(4) Partida direta
( ) A tensão aplicada é sempre 3 vezes menor do que a tensão terminal nominal.
( ) Na partida não há limitação de corrente, sendo que a corrente drenada da rede é máxima.
( ) A tensão terminal aplicada tem seu valor menor do que seu valor nominal em valores que podem variar em 80%, 60% , 50% e 25% da tensão terminal nominal, por exemplo.
( ) A corrente de partida é limitada pelo aumento da impedância equivalente do circuito já que neste caso o escorregamento é unitário.
Provas
O circuito a seguir encontra-se no estado permanente senoidal. Qual deve ser o valor da frequência da fonte de alimentação v(t), para que a impedância vista pela fonte seja mínima?

Provas
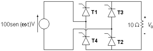
No retificador controlado apresentado na figura abaixo, T1, T2, T3 e T4 são tiristores cujo ângulo de disparo é de 60° e a frequência angular (ω) da tensão de alimentação do retificador é igual a 120π rad/s.
Desprezando as quedas de tensões sobre os tiristores, qual o valor da tensão média V0 na saída do retificador?

Provas
Caderno Container