Foram encontradas 2.095 questões.
Considere a seção transversal da figura a seguir. Calcule a tensão máxima sabendo que o diâmetro é 0,0874m, devido a um momento torsor de 20KN.m e o momento de inércia polar Ip = 5,73 X 10 m.

Provas
A impedância característica de uma antena Beverage é de
Provas
Em relação ao motor de corrente alternada síncrono, identifique se o fator de potência da corrente absorvida da rede está atrasado ou adiantado nas seguintes situações e, a seguir, assinale a alternativa correta.
I. Um motor síncrono está operando a meia carga nominal. Um aumento na sua corrente de campo provoca uma diminuição na sua corrente de armadura. Considerando-se este dado, a corrente absorvida da rede, antes da mudança da corrente de campo, estava em relação à tensão terminal.
II. Um motor síncrono está operando a plena carga. Uma diminuição na sua corrente de campo provoca uma diminuição na sua corrente de armadura. Considerando-se este dado, a corrente absorvida da rede, antes da mudança da corrente de campo, estava ____________ em relação à tensão terminal.
III. Um motor síncrono está operando com corrente absorvida da rede com fator de potência unitário em uma situação de sobrecarga. Um aumento na sua corrente de campo irá fazer com que a corrente absorvida da rede seja em relação à tensão terminal.
IV. Um motor síncrono está operando com corrente absorvida da rede com fator de potência unitário em uma situação de sobrecarga. Uma diminuição na sua corrente de campo irá fazer com que a corrente absorvida da rede seja em relação à tensão terminal.
Provas
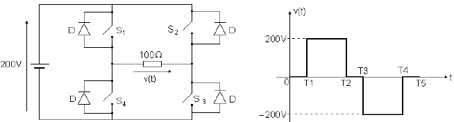
O circuito abaixo é um conversor CC-CA monofásico, também conhecido como inversor, e o gráfico representa sua tensão de saída v(t). Marque a alternativa que corretamente descreve os intervalos de acionamento das chaves S1, S2, S3 e S4 para que se obtenha o gráfico abaixo.

Provas
Pavimento é uma estrutura de múltiplas camadas de espessuras finitas, construída sobre a superfície final de terraplenagem, destinada técnica e economicamente a resistir aos esforços oriundos do tráfego de veículos e do clima, e a propiciar aos usuários, melhoria nas condições de rolamento, com conforto, economia e segurança. Considerando a figura a seguir, um esquema de um de pavimento flexível típico, relacione as camadas que compõem esse pavimento e assinale a sequência correta.

( ) Subleito
( ) Sub-base
( ) Revestimento
( ) Base
Provas
Uma industria deseja instalar bancos de capacitores múltiplos de 10 kVar para corrigir o fator de potência de uma conjunto de motores para um fator de potência de 0,92. Determine a potência do banco de capacitor a ser instalada.
Motores: - 4 motores de 50 cv com fp = 0,84
- 2 motores de 25 cv com fp = 0,79
Provas
Sensoriamento Remoto é a técnica de obtenção de informações de um objeto sem que haja contato direto, através da utilização de sensores. Ele consiste na utilização conjunta de modernos instrumentos (sensores) e equipamentos para processamento e transmissão de dados, possuindo plataformas (aéreas ou espaciais) para carregá-los. Seu objetivo é estudar o ambiente terrestre identificando as diferentes composições da superfície da Terra, através do registro e da análise das interações entre a radiação eletromagnética e as substâncias componentes, em suas mais diferentes coberturas. De acordo com o INPE, qualquer sistema sensor apresenta componentes necessários para captar a radiação eletromagnética.
Preencha as lacunas a seguir e, em seguida, indique a opção com a sequência correta.
(1) recebe a energia através de uma lente, espelho, antenas, etc.
(2) capta a energia coletada de uma determinada faixa do espectro.
(3) o sinal registrado é submetido a um processamento (revelação, amplificação, etc.).
(4) contém a informação necessária ao usuário.

Componentes de um Sistema Sensor (INPE).
Provas
Alcoóleos são preparações líquidas cujo veículo, único ou principal, é
Provas
Seja a poligonal PQRS, de lados iguais e fechada, cujos dados são apresentados na tabela a seguir:
| Trecho | Rumo |
| PQ | 30º SE |
| QR | |
| RS | 30º NW |
| SP | 30º SW |
O rumo QR é
Provas
Sobre a Reação de Imunofluorescência Indireta (RIFI) para diagnóstico de Leishmaniose Tegumentar Americana, identifique se a afirmativa é falsa (F) ou verdadeira (V) e assinale a alternativa que apresenta a sequência correta.
( ) Sua sensibilidade é relativamente alta.
( ) Os títulos de anticorpos são normalmente altos em casos com lesão cutânea recente.
( ) Ocorrem reações cruzadas com outros tripanossomatídeos, dificultando o seu uso em áreas endêmicas onde ocorrem a donça de chagas e o calazar.
( ) O teste de hemaglutinação indireta fornece resultados melhores que a RIFI no diagnóstico de leishmaniose.
Provas
Caderno Container