Foram encontradas 2.095 questões.
Disciplina: TI - Organização e Arquitetura dos Computadores
Banca: DIRENS Aeronáutica
Orgão: CIAAR
Numere a segunda coluna de acordo com a primeira:

Marque a sequência correta.
Provas
“ é um processo de seleção onde um proprietário ou gerenciador coloca em oferta a realização de uma obra, a prestação de um serviço ou o fornecimento de um bem de tipo especial ou equipamentos de construção ou de processo e pode ocorrer sob diferentes modalidades como leilão, convite e tomada de preços.” Identifique a opção que completa corretamente a assertiva anterior:
Provas
No circuito abaixo, VC é uma fonte de tensão controlada pela corrente IS, onde VC=20IS. Sabendo que a resistência de entrada é definida por , qual o valor da resistência de entrada para o circuito a seguir?

Provas
Numa boa execução de elementos estruturais em concreto armado, recomenda-se o umedecimento das formas, antes da concretagem para
Provas
Lixiviação é um dos métodos de preparo das tinturas. Qual dessas etapas mostradas nas alternativas não faz parte da mais complexa das operações farmacêuticas?
Provas
Considerando-se o princípio de funcionamento das máquinas de corrente alternada assíncronas, informe se os itens abaixo são verdadeiros (V) ou falsos (F) e, a seguir, assinale a opção que possui a sequência correta.
( ) As máquinas de corrente alternada assíncronas são assim chamadas pois ambos os campos, induzido no rotor e girante do estator, não funcionam à velocidade síncrona.
( ) A frequência das tensões induzidas na armadura varia com o escorregamento.
( ) Para o funcionamento da máquina como gerador, o campo deve ser alimentado com tensão trifásica e a armadura acionada a uma velocidade abaixo da síncrona.
( ) Para o motor trifásico, a frenagem por inversão de fases consiste na mudança da sequência de fase aplicada o que implica na inversão do sentido de rotação do campo girante e um escorregamento acima de 1 após a inversão.
Provas
Usualmente, a ascaridíase humana é pouco sintomática, por isto mesmo difícil de ser diagnosticada em exame clínico. O diagnóstico laboratorial é usualmente feito através de
Provas
No preparo de soluções, quando uma substância não é solúvel na água e se torna impossível solubilizá-la à custa de agentes hidrótropos ou por introdução, na respectiva molécula de grupos hidrófilos, a tecnologia farmacêutica se vê obrigadas a outros líquidos para dissolver tal substância. Qual dessas substâncias utilizadas é um álcool-éter?
Provas
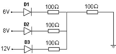
No circuito abaixo, determine quais os diodos estão diretamente polarizados. Considere os diodos ideais, ou seja, queda de tensão direta igual a zero e resistência inversa infinita.

Provas
Qual é o mecanismo de ação dos diuréticos de alça?
Provas
Caderno Container