Foram encontradas 275 questões.
Considere o circuito apresentado na figura.

Assinale a alternativa que indica o valor lido no voltímetro.
Provas
O sistema de transmissão de sinal de comunicação por onda portadora (tipo Carrier), também conhecida por OPLAT (Onda Portadora sobre a Linha de Alta Tensão), utiliza o condutor da linha de transmissão como meio da propagação do sinal, que é emitido numa faixa de frequência de 20 a 400 kHz. Em uma linha de transmissão longa, a transmissão do sinal Carrier é prejudicada.
Assinale a alternativa que indica a principal razão dessa causa.
Provas
A operação de abertura do disjuntor se dá pelo deslocamento mecânico dos contatos, desde a sua posição inicial (fechado) até a posição aberta. Durante esse movimento, o arco elétrico se forma e acompanha o contato móvel até a sua posição final. A corrente de curto-circuito tem continuidade através do arco elétrico, mesmo com a total abertura mecânica dos contatos do disjuntor. Portanto, para eliminar o curto-circuito, devem-se prover ações adicionais, ou seja, utilizar dispositivos e meios para a extinção do arco elétrico.
Analise as afirmativas abaixo, em relação a esse assunto.
1. As câmaras de extinção do arco elétrico devem ter meios para alongar e fracionar o arco elétrico para ajudar na sua extinção.
2. Na câmara a óleo mineral, o óleo age como isolante, refrigerante, e as bolhas de gás formadas empurram o arco para cima, alongando-o.
3. A câmara a vácuo é excelente porque dificulta a formação do arco elétrico pela inexistência do meio.
4. O alongamento do arco elétrico pode ser por ação de forças eletromagnéticas (sopro magnético), por jatos de ar ou SF6 ou pela ação das bolhas de gás formadas pela decomposição do óleo.
5. Na câmara com gás SF6 sob pressão, o SF6 dificulta a formação do arco e tem elevada capacidade de recuperação de sua rigidez dielétrica, dificultando a reignição.
Assinale a alternativa que indica todas as afirmativas corretas.
Provas
O sistema elétrico brasileiro opera interligado com todas as empresas integrantes dos serviços públicos de energia elétrica, formando um imenso circuito trifásico. Desse circuito uma parte é a rede básica, composta pela parte forte do sistema interligado.
Assinale a alternativa que mais se aproxima da denominação da rede básica do sistema brasileiro interligado.
Provas
Assinale a alternativa correta em relação aos valores de base de uma rede monofásica.
Provas
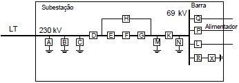
A figura apresenta o diagrama simplificado dos componentes integrantes de uma subestação de uma empresa de transmissão de energia elétrica.

Assinale a alternativa que representa, respectivamente, os seguintes componentes: para-raios do transformador, chave seccionadora do tipo bypass, banco de capacitores e chave seccionadora de linha.
Provas
Dimensione o menor transformador de corrente (TC) de modo a atender aos dados do diagrama unifilar de um sistema radial apresentado na figura.

Os TCs escolhidos são de \( \dfrac {\text{x}} 5 \), sendo x múltiplo de 20.
Dos TCs apresentados nas alternativas, sinalize aquele que está mais adequado ao solicitado.
Provas
Assinale a alternativa correta.
Provas
A ação primária para prover a abertura do disjuntor pode ser através de mola, pneumático (ar comprimido) ou hidráulico (pressão a óleo).
Analise as afirmativas abaixo sobre os elementos de abertura dos disjuntores.
1. O disjuntor com abertura a mola utiliza a energia que fica acumulada no tensionamento da mola, até o momento da sua liberação, acionando os mecanismos de abertura dos contatos do disjuntor. É mais lento, mais barato e não requer muita manutenção em comparação com os disjuntores pneumático e hidráulico.
2. No disjuntor pneumático, a energia acumulada na pressão do ar comprimido é utilizada no momento requerido, para prover a ação nos dispositivos de abertura do disjuntor, e inclusive injetar ar ou SF6 na câmara de extinção de arco elétrico. Necessita de compressores e tanque de armazenamento de ar comprimido, sempre operantes para os acionamentos de abertura e fechamento dos disjuntores.
3. O disjuntor hidráulico é similar ao pneumático, com a diferença que o acionamento final é feito pela transmissão do óleo comprimido. A ação do óleo comprimido age na abertura ou fechamento dos contatos do disjuntor. O óleo é comprimido de modo pneumático, por ação do ar ou nitrogênio proveniente de um tanque sob pressão. A ação do óleo comprimido é mais rápida que a dos outros tipos de disjuntores.
4. O disjuntor hidráulico é na verdade um disjuntor hidráulico/pneumático. Atua mais rápido, mas necessita de ação rigorosa de vistoria e de manutenção para manter o seu desempenho.
5. Para o fechamento dos contatos dos disjuntores, pode-se utilizar a ação de solenoide, mola, pneumático e hidráulico, que depende do tipo, porte e finalidade do disjuntor.
Assinale a alternativa que indica todas as afirmativas corretas.
Provas
O seccionalizador é um equipamento utilizado em redes aéreas de distribuição de energia elétrica.
Analise as afirmativas abaixo sobre o seccionalizador.
1. O seccionalizador pode substituir o elo fusível na proteção de sistema de distribuição.
2. O seccionalizador deve ser instalado a montante do religador.
3. O seccionalizador é uma chave seccionadora, operada manualmente, com o objetivo de mudar a topologia da rede de distribuição, de modo a conseguir maior continuidade no fornecimento de energia aos consumidores.
4. O seccionalizador é utilizado em circuitos (alimentadores) importantes, para prover maior continuidade no fornecimento de energia, principalmente nos locais de segurança pública, hospitais etc.
5. Para o religador, a vantagem do seccionalizador em relação ao elo fusível é a coordenação para todo trecho protegido.
Assinale a alternativa que indica todas as afirmativas corretas.
Provas
Caderno Container