Foram encontradas 275 questões.
A figura apresenta o diagrama de capabilidade operacional do gerador síncrono de uma usina.

Analise as afirmativas abaixo sobre os pontos de operação indicados na figura.
1. Ponto A representa uma operação fora das condições operativas do gerador síncrono, referente à excessiva excitação, podendo ser devido ao aquecimento no enrolamento de campo do rotor ou da saturação do material magnético do gerador.
2. Ponto B está fora da região operativa, devido principalmente às limitações da subexcitação.
3. Ponto C está fora das condições operativas, decorrente das limitações dos enrolamentos do estator.
4. Ponto D está fora na normalidade, decorrente das limitações mecânicas da máquina primária, principalmente das turbinas.
5. Ponto E está dentro da região operativa.
Assinale a alternativa que indica todas as afirmativas corretas.
Provas
Um gerador síncrono trifásico de rotor cilíndrico (liso) de 150 MVA, \( 10\sqrt{3} \) kV, 2 polos, 60 Hz, resistência da bobina do estator desprezível, opera conectado a uma barra infinita com tensão nominal. O diagrama de capabilidade do gerador síncrono é o apresentado na figura.

Assinale a alternativa que indica a corrente que passa na bobina do estator do gerador conectado em Y, quando supre a barra infinita no ponto operativo B indicado no diagrama de capabilidade.
Provas
Analise o transformador de corrente (TC) da figura abaixo:

Assinale a alternativa que indica todas as relações de transformação possíveis do tipo X/5.
Provas
Um gerador síncrono de uma usina hidrelétrica de grande porte está entregando energia ativa e reativa a um sistema elétrico conectado em anel.
Analise as afirmativas abaixo, em relação ao exposto na frase anterior.
1. Para o gerador síncrono, a carga do sistema elétrico tem fator de potência capacitivo (adiantado).
2. O campo girante do gerador síncrono está girando na frente do campo girante equivalente do sistema elétrico.
3. O escorregamento do campo girante do gerador síncrono em relação ao do sistema elétrico é de suma importância para garantir a entrega de energia ativa ao sistema.
4. A corrente da carga produz uma força contra eletromotriz na excitação do rotor do gerador síncrono.
Assinale a alternativa que indica todas as afirmativas corretas.
Provas
Um gerador síncrono de uma usina hidrelétrica tem 16 polos salientes e está acoplado na rede de energia elétrica do sistema brasileiro.
Assinale a alternativa que indica a rotação do rotor (em RPM) do gerador síncrono.
Provas
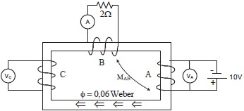
Considere um circuito que opera em regime permanente, onde as bobinas estão instaladas sobre um núcleo magnético como apresentado na figura. A fonte de tensão gera dentro do núcleo um fluxo magnético de 0,06 Wb.

Dados:
- Bobina A, com 400 espiras, RA = 2 \( \Omega \) e LA = 20 \( \mu \)H
- Bobina B, com 200 espiras, RB = 0,5 \( \Omega \) e LB = 30 \( \mu \)H
- Bobina C, com 100 espiras, RC = 2 \( \Omega \) e LC = 10 \( \mu \)H
- MAB = 7,5 \( \mu \)H (indultância mútua)
Assinale a alternativa que indica, respectivamente, os valores das leituras nos Amperímetro, Voltímetro A e C.
Provas
Dois corpos maciços A e B estão sobre uma superfície lisa sem atrito, numa atmosfera do tipo vácuo. O corpo A de 100 kg tem uma energia cinética de 28800 J e bate no corpo B de 50 kg que está parado, e continuam a se moverem juntos, conforme apresentado na figura.

Assinale a alternativa que indica a energia perdida no choque.
Provas
Um gerador trifásico ideal conectado em Y solidamente aterrado alimenta uma carga equilibrada em Y não aterrada. Um defeito em uma conexão abre uma fase.
Assinale a alternativa que indica a tensão existente no ponto comum da conexão Y da carga em relação ao potencial da terra, em função da tensão de linha a linha (VLL).
Provas
A medição de um aterramento é feita de acordo com o esquema da figura.

Analise as afirmativas abaixo sobre a medição e a segurança humana.
1. O valor da resistência do aterramento será usado para a obtenção das correntes de curto-circuito no sistema de energia elétrica, para a adequação dos ajustes da proteção (relés). Para esse propósito, as medições devem ser efetuadas com o solo bem encharcado, principalmente após os dias chuvosos. Assim, a resistência de terra será baixa e os curtos-circuitos terão valores elevados, garantindo a atuação da proteção.
2. Não devem ser executadas medições sob condições atmosféricas adversas, devido à possibilidade de ocorrências de raios no local.
3. Durante as medições devem-se usar equipamentos de proteção individual (EPI) e coletivo (EPC) adequados.
4. Deve-se descontar a resistência da fiação em solos com baixa resistência medida.
5. As hastes devem estar bem limpas e principalmente isentas de óxidos e gorduras, para que o contato com o solo seja bom.
Assinale a alternativa que indica todas as afirmativas corretas.
Provas
Em um transformador de 30 MVA, 13,8 kV/69 kV, XT = 5%, qual deve ser a tensão de linha a linha aplicada nos terminais de AT, para que um curto-circuito trifásico nos seus terminais de BT tenha corrente nominal de placa?
Provas
Caderno Container