Foram encontradas 275 questões.
Considere o transformador de corrente (TC), com derivações no secundário, mostrado na figura.

Analise as afirmativas abaixo em relação ao TC da figura, o qual opera conectado a um equipamento na relação de transformação de 250/5A.
1. O TC na relação de 250/5 deve estar conectado nas derivações S2 – S4.
2. Quando o TC está conectado a um equipamento e operando na relação de 250/5, as outras derivações poderão estar opcionalmente abertas ou curto-circuitadas.
3. Quando passa no secundário 3 A, no primário a corrente é de 150 A.
4. Considere um TC normal, com somente dois enrolamentos, conectado a um equipamento, por exemplo, na relação de transformação de 250/5. Se durante a sua operação, devido a uma falha, o seu secundário ficar aberto, o TC sofrerá danos devidos principalmente ao excessivo aquecimento no seu núcleo magnético. No caso do TC da figura, que está conectado a um equipamento na relação de 250/5, se houver abertura do seu secundário, e para evitar a queima do TC, é interessante que pelo menos uma derivação do secundário esteja curto-circuitada.
Assinale a alternativa que indica todas as afirmativas corretas.
Provas
Uma fonte gera o sinal periódico mostrado na figura que representa a corrente elétrica que passa na resistência de 2 \( \Omega \). A fonte entrega para a resistência 80 J/período.

Sinalize a alternativa que dá o valor da corrente eficaz e da corrente elétrica máxima que passa na resistência.
Provas
Um projétil (bala) atinge uma esfera de borracha e fica incrustado nela. A esfera está pendurada por um fio ideal sem atrito, como ilustrada na figura.

Considere g = 10 m/s2.
Assinale a alternativa que indica a máxima altura atingida pela esfera.
Provas
Considere o diagrama unifilar da figura que mostra um curto-circuito em um cabo de uma fase de uma linha de transmissão que caiu no solo.

Identifique se as afirmativas relativas ao tipo de defeito apresentado na figura são verdadeiras (V) ou falsas (F).
( ) O arco elétrico é mais bem representado na modelagem de circuito equivalente por uma reatância e seu valor depende do comprimento do arco.
( ) Para esse tipo de defeito não passa corrente elétrica na bobina do estator do gerador síncrono alocado na usina hidrelétrica, porque o transformador bloqueia a sequência zero.
( ) Esse defeito produz no gerador síncrono sequência positiva, negativa e zero de mesmo valor.
( ) A corrente de sequência negativa que entra no solo pelo arco elétrico e passa na malha de terra é de valor elevado.
( ) O relé de terra (função de proteção 64) do gerador síncrono estará apto para agir como proteção de retaguarda para esse defeito.
Assinale a alternativa que indica a sequência correta, de cima para baixo.
Provas
Em um solo homogêneo, foi medida a resistência do aterramento principal A pelo Método Voltímetro-Amperímetro, conforme apresentado na figura.

Para efetuar a medida, a haste auxiliar P foi deslocada entre os pontos A e B. Nessa medição, o patamar (valores constantes) ficou bem definido e o valor da resistência do aterramento A foi de 12 \( \Omega \).
Analise as afirmativas abaixo verificando se são verdadeiras ou falsas:
1. O valor da resistência do aterramento A será sempre obtido por \( \dfrac {\text{V(x)}} {\text{I}} \).
2. Quando a haste P estiver sobre a haste B, o valor medido será a resistência de terra de B.
3. Se a haste B for cravada mais longe, por exemplo, com o dobro da distância apresentada na medida da figura, a resistência do aterramento A não mudará.
4. Por esse método a resistência de terra de A não será obtida adequadamente, porque a corrente elétrica se dispersa pela terra e somente uma pequena parcela retorna pela haste B.
Assinale a alternativa que indica todas as afirmativas corretas.
Provas
Considere o diagrama unifilar, onde todas as linhas de transmissão têm as mesmas impedâncias.

Assinale a alternativa que dá o valor da corrente elétrica que passa na bobina do estator do gerador síncrono G3 para um curto-circuito trifásico na barra C.
Provas
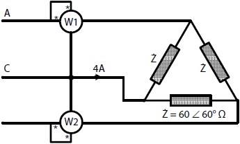
Um sistema trifásico equilibrado operando na sequência de fase ABC alimenta a carga da figura.

A soma das potências lidas nos wattímetros é:
Provas
Um consumidor efetuou na distribuidora (concessionária) de energia elétrica um registro de ressarcimento de danos em equipamento de acondicionamento de remédios.
Nesse caso, a Resolução 414/2010 da ANEEL estabelece que o prazo máximo (em dias úteis) que a distribuidora tem para verificação da existência do nexo de causalidade é de:
Provas
Um medidor de energia conectado a uma TV mede em um ano (365 dias) o consumo de 251,85 kWh. A potência da TV é de 100 W quando em plena operação. O proprietário assiste TV 6 horas por dia e o restante do tempo a TV fica no modo stand-by.
A potência no modo stand-by da TV é de:
Provas
Como é denominada a causa relativa ao comportamento humano, que pode levar à ocorrência do acidente ou à prática do ato inseguro?
Provas
Caderno Container