Foram encontradas 265 questões.

Provas
Um corpo de massa 10 g é abandonado na superfície da água e flutua com ¼ do seu volume emerso.
Com base na situação descrita, é correto afirmar que
Provas
Se soltamos um carrinho de fricção de uma certa altura, sem friccioná-lo, a trajetória das partículas constituintes desse carrinho será paralela à trajetória do centro de massa.
Porém, se friccionamos esse carrinho, travamos suas rodas traseiras, o elevamos e depois o soltamos, a trajetória das partículas constituintes do carrinho não será mais paralela à trajetória do centro de massa.
Esse fato está associado à (ao):
Provas
A expressão que permite calcular, em m/s, o módulo da velocidade de um ponto na extremidade de uma hélice do helicóptero é
Provas

Fonte: https://mars.nasa.gov/resources/25820/altimeter-chart-for-ingenuitys-firstflight/ (Acesso em mar. 2023 - adaptado)
O gráfico da Figura 1 permite concluir que, entre
Provas

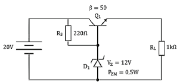
Considere que:
I- A tensão base do transitor (Vbe) é 0,7V; II- A tensão Zener do diodo (VZ) é igual a 12V.
A tensão disponível na carga (RL) é
Provas
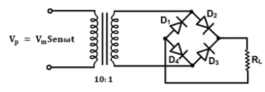
A figura abaixo representa um retificador não controlado.

Considere que uma tensão senoidal V p = VmSenωt seja aplicada ao primário do transformador com relação de transformação de 0,1 e que todos os elementos do circuito estejam dimensionados corretamente, sem apresentar perdas.
Sobre esse circuito, assinale (V) para as afirmativas verdadeiras e (F) para as falsas.
( ) A topologia do circuito corresponde a um retificador de onda completa que utiliza um transformador com derivação central.
( ) Quando a tensão de entrada Vp for positiva, os diodos D2 e D4 estarão em condução.
( ) A tensão reversa máxima sobre o diodo ocorre quando a tensão aplicada ao primário do transformador está no seu pico negativo e é igual a 0,1Vm.
( ) Se o diodo D1 for desconectado, esse circuito se comportará como um retificador de meia onda.
A sequência correta é
Provas
A figura abaixo corresponde a um circuito típico de regulador de tensão usando um diodo Zener.

Considere que:
I- O diodo é ideal, com tensão Zener de 10V;
II- A potência máxima que o Zener pode dissipar é de 1W;
III- A corrente mínima para manter o Zener na região de ruptura equivale a 10% de sua corrente máxima IZM.
Se a tensão de alimentação Vi for 14V e a carga resistiva RL forem fixas, o valor do resistor Rs que resulta em uma tensão regulada na carga de 10V é
Provas

Considere que:
I- Quando VCTRL for igual a 5V, o transistor Q1 deverá entrar no modo de saturação fazendo com que a bobina do relé conduza uma corrente de 50mA;
II- Sob essa condição de operação, o transistor Q1 apresentará VBE = 0,7 V e VCE = 0,2 V.
Ao selecionar um transistor Q1 para a construção do circuito, deve-se garantir que o seu ganho β seja, no mínimo, igual a
Provas
Considere um amplificador operacional ideal conectado conforme figura abaixo.

Analise as afirmações a seguir:
I. Se as resistências de R1 e R2 forem iguais a zero, o amplificador apresentará um ganho unitário se comportando como um seguidor de tensão.
II. Se R1 e R2 forem resistores, com o valor da resistência de R2 correspondendo ao dobro de R1, o circuito se comportará como um amplificador inversor com ganho -2.
III. Se R2 for substituído por um capacitor, teremos o circuito básico de um integrador.
Está(ão) correta(s) a(s) afirmativa(s)
Provas
Caderno Container