Foram encontradas 265 questões.
A respeito desse instrumento e de sua utilização, é correto afirmar que:
Provas

O circuito é composto por uma fonte de tensão Vcc, um galvanômetro G e uma rede de quatro resistores R1, R2, R3 e RX.
Considere que:
I- As resistências de R1 e R3 são 150Ω e 50Ω, respectivamente; II- O elemento R2 é uma resistência variável, que, quando ajustada para um valor de 300Ω, faz com que a corrente elétrica medida pelo galvanômetro seja nula.
O valor da resistência de RX é
Provas
Provas
Analise a placa de identificação e o diagrama de comando a seguir.

O diagrama representa a realização de:
Provas
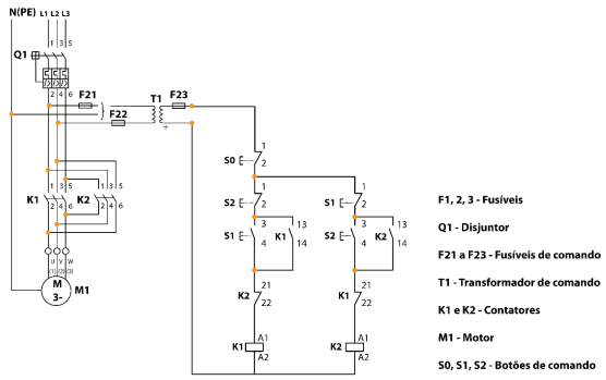
Considere o diagrama a seguir:

Enumere a sequência de funcionamento do diagrama.
I. Botoeira S1 é liberada.
II. Energiza-se o contator K1.
III. K1 é mantido energizado pelo seu contato NA 13,14.
IV. O motor M1 é desligado.
V. O motor M1 parte.
VI. Pressiona-se a botoeira S0.
VII. Pressiona-se a botoeira S1.
VIII.Todos os contatos de K1 mudam de estado.
A sequência encontrada é
Provas
Associe os tipos de acionamentos de motores às suas características
Tipo de acionamento de motor
1. Partida direta
2. Inversor de frequência
3. Soft-start
4. Chave compensadora
5. Chave Estrela-Triângulo
Característica
( ) Apresenta partida suave através de uma rampa controlada de tensão por meio de tiristores.
( ) É muito utilizada para cargas de baixa inércia e limita a corrente de partida.
( ) Apresenta baixo custo e reduz em 33% a corrente de partida.
( ) Representa a melhor condição para o motor e causa menor aquecimento na partida.
( ) Controla a velocidade do motor.
A sequência correta é
Provas
A figura abaixo refere-se à questão.

Para acionar esse motor empregando a chave de partida estrela-triângulo, a tensão da rede de alimentação para o correto funcionamento do conjunto motor/chave de partida é
Provas
A figura abaixo refere-se à questão.

I. Esse é um motor de indução monofásico do tipo gaiola de esquilo. II. Sua potência mecânica nominal é de 0,75 CV. III. O motor foi projetado para funcionamento sob carga constante com duração suficiente para que se alcance o equilíbrio térmico. IV. A corrente de partida do motor é de 21,1 A, aproximadamente, quando ligado em 220 V. V. Esse motor suporta uma sobrecarga constante de 25%.
Estão corretas apenas as afirmativas
Provas
Sobre essas conexões, assinale (V) para as afirmativas verdadeiras e (F) para as falsas.
( ) É aconselhável evitar o uso de conexões soldadas em circuitos de energia. No entanto, se essas conexões forem utilizadas, elas devem ter resistência à fluência e a solicitações mecânicas compatíveis com a aplicação.
( ) É aconselhável a aplicação de solda a estanho na terminação de condutores, para conectá-los a bornes, a terminais de dispositivos ou a equipamentos elétricos.
( ) As linhas elétricas constituídas por condutos fechados só admitem conexões contidas em invólucros apropriados, que garantam a necessária acessibilidade e proteção mecânica.
( ) É vedada a conexão entre cobre e alumínio mesmo que realizada por meio de conectores adequados.
( ) Em condutores de alumínio somente são admitidas emendas por meio de conectores por compressão ou solda.
A sequência correta é
Provas
I. A instalação deve ser dividida em tantos circuitos quantos necessários, sendo que cada circuito pode ser seccionado sem risco de realimentação inadvertida por meio de outro circuito.
II. A divisão da instalação em circuitos deve atender às exigências de segurança, conservação de energia, funcionais, de produção e de manutenção.
III. Todo ponto de utilização previsto para alimentar, de modo exclusivo ou virtualmente dedicado, equipamento com corrente nominal superior a 20A deve constituir um circuito independente.
IV. Os circuitos terminais devem ser individualizados pela função dos equipamentos de utilização que alimentam, prevendo circuitos terminais distintos para pontos de iluminação e para pontos de tomada.
Estão corretas apenas as afirmativas
Provas
Caderno Container