Foram encontradas 60 questões.
A Lei 8.666/93 regulamenta o Art. 37, inciso XXI, da Constituição Federal, institui normas para licitações e contratos da Administração Pública e dá outras providências. No que diz respeito à legislação sobre Licitações e Contratos Administrativos relativos às obras e serviços de engenharia, estabelece diversas modalidades de licitação. Os avisos contendo os resumos dos editais das concorrências e das tomadas de preços, dos concursos e dos leilões, embora realizadas no local da repartição interessada, deverão ser publicados com antecedência, no mínimo, por uma vez:
I - No Diário Oficial da União, quando se tratar de licitação feita por órgão ou entidade da Administração Pública Federal e, ainda, quando se tratar de obras financiadas parcial ou totalmente com recursos federais ou garantidas por instituições federais.
II - No Diário Oficial do Estado, ou do Distrito Federal, quando se tratar respectivamente, de licitação feita por órgão ou entidade da Administração Pública Estadual ou Municipal, ou do Distrito Federal.
III - Em jornal diário de grande circulação no Estado e também, se houver, em jornal de circulação no Município ou na região onde será realizada a obra, prestado o serviço, fornecido, alienado ou alugado o bem, podendo, ainda, a Administração, conforme o vulto da licitação utilizar-se de outros meios de divulgação para ampliar a área de competição.
IV - É dispensável a licitação: para obras e serviços de engenharia de valor até 10% (dez por cento) do limite de convite de até R$ 350.000,00 (Trezentos e cinquenta mil reais); desde que não se refiram a parcelas de uma mesma obra ou serviço ou ainda para obras e serviços da mesma natureza e no mesmo local que possam ser realizadas conjunta e concomitantemente.
Assinale a alternativa correta:
Provas
Provas
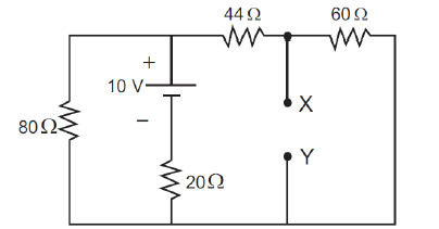
No circuito abaixo, determine o valor da carga resistiva em ohms a ser inserida entre os pontos X-Y a fim de que o sistema opere com uma eficiência operacional de 80%.
Eficiência Operacional: Relação percentual entre a potência dissipada na carga e potência emitida pela fonte:

Provas
Provas
Provas
Provas
Na figura abaixo, verifica-se uma típica instalação elétrica residencial:

Para comandar a luminária por meio dos dois interruptores paralelos é necessário que, entre os pontos A e B e entre os pontos B e C, passem, respectivamente:
Provas
Conforme um projeto de uma nova subestação, foi previsto dois transformadores em paralelo com as seguintes especificações para este conjunto: 500kVA, 13800//220/127V, Z = 5% sob 13.8KV; In = 21/1312 A
Potência de Curto Circuito Informada pela Concessionária de Energia: 100 MVA. Diante das especificações acima, a capacidade de interrupção mínima dos disjuntores do quadro de distribuição deve ser de:
Provas
Provas
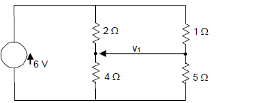
Calcule o valor da tensão V1 do circuito abaixo:

Provas
Caderno Container