Foram encontradas 1.456 questões.

A figura acima mostra o diagrama de um circuito eletrônico que utiliza um amplificador operacional e as suas tensões de entrada e de saída, todas senoidais. Julgue os seguintes, relativos a esse circuito.
O amplificador operacional funciona como um amplificador inversor.
Provas
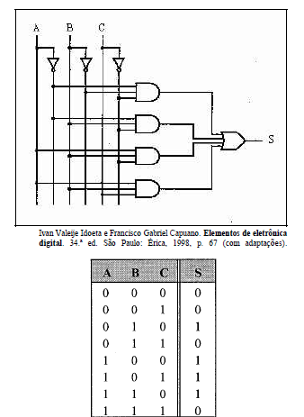
Com relação a aspectos de sistemas digitais, julgue os itens subseqüentes.
O circuito lógico mostrado na figura a seguir implementa a função lógica que executa a tabela verdade subseqüente.

Provas
Com relação a aspectos de sistemas digitais, julgue os itens subseqüentes.
Ao ser convertido para o sistema binário, o número hexadecimal C14 torna-se 110000010100.
Provas
Considere que os símbolos a seguir sejam encontrados no mostrador de um instrumento de medição elétrica. Nesse caso, é correto concluir que se trata de um instrumento de bobina móvel, classe de exatidão 1, tensão de ensaio de 2 kV, que deve ser utilizado com o mostrador na posição horizontal.

Provas
Um amperímetro analógico de classe de exatidão igual a 1,5 apresenta maior precisão que um amperímetro analógico de classe de exatidão igual a 0,3, pois, em medidas elétricas, precisão e exatidão são termos equivalentes.
Provas
Julgue os itens que se seguem, relativos a eletromagnetismo.
As ondas eletromagnéticas diferem entre si pela freqüência e pelo comprimento de onda, sendo a gama de freqüências abrangidas pelas ondas eletromagnéticas denominada espectro eletromagnético.
Provas
Julgue os itens que se seguem, relativos a eletromagnetismo.
Uma onda eletromagnética não depende de meio material para propagar-se. Entretanto, a sua velocidade de propagação nos meios materiais é maior que a sua velocidade de propagação no vácuo.
Provas
Julgue os itens que se seguem, relativos a eletromagnetismo.
A força magnetomotriz produzida por um enrolamento percorrido por corrente elétrica é diretamente proporcional à permeabilidade magnética do material de que é feito o caminho do fluxo magnético produzido por essa força.
Provas
Julgue os itens que se seguem, a respeito de movimentação de mercadorias.
Provas
Julgue os itens que se seguem, a respeito de movimentação de mercadorias.
A produtividade do equipamento responsável pela retirada de uma carga a bordo do navio depende da posição em que se encontre essa carga no porão.
Provas
Caderno Container