Foram encontradas 60 questões.
Disciplina: Legislação Específica das Agências Reguladoras
Banca: FCC
Orgão: CEAL
Na Resolução nº 456, de 29 de novembro de 2000, da Agência Nacional de Energia Elétrica (ANEEL), em seu artigo 2º, há duas definições:
I. Soma das potências nominais dos equipamentos elétricos instalados na unidade consumidora, em condições de entrar em funcionamento, expressa em quilowatts (kW).
II. Média das potências elétricas ativas ou reativas, solicitadas ao sistema elétrico pela parcela da carga instalada em operação na unidade consumidora, durante um intervalo de tempo especificado.
Essas definições referem-se a
Provas
Disciplina: Legislação Específica das Agências Reguladoras
Banca: FCC
Orgão: CEAL
Faz parte da estrutura organizacional da Agência Nacional de Energia Elétrica (ANEEL) o setor de “Fiscalização da Geração, da Qualidade do Serviço e Econômicofinanceira”, sendo composta, entre outras, pela “Superintendência de Fiscalização de Serviços de Geração”, cuja atribuição é executar as atividades relacionadas ao processo de
Provas
Disciplina: Legislação Específica das Agências Reguladoras
Banca: FCC
Orgão: CEAL
Considere:
I. Mediar os conflitos de interesses entre os agentes do setor elétrico e entre estes e os consumidores.
II. Regular e fiscalizar a geração, a transmissão, a distribuição e a comercialização da energia elétrica, atendendo reclamações de agentes e consumidores, com equilíbrio entre as partes e em benefício da sociedade.
III. Limitar a proliferação de usinas nucleares para a geração de energia elétrica.
IV. Garantir tarifas justas.
São atribuições da Agência Nacional de Energia Elétrica (ANEEL) as que constam em
Provas
Na elaboração de desenhos por computador, o CAD admite a especificação de pontos por coordenadas
Provas
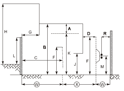
A figura abaixo representada indica o espaçamento para instalações elétricas de média tensão. A tabela apresenta as dimensões adotadas no Memorial Descritivo de determinado projeto, em consonância com a norma ABNT NBR14039/2003.

W = Área de circulação de pessoas advertidas.
X = Área de circulação proibida.
DIMENSÕES MÍNIMAS ADOTADAS (mm) | |
A | 300 |
G | 1600 |
B | 4200 |
R | 1700 |
D | 600 |
F | 2200 |
J | 900 |
K | 2300 |
L | 2100 |
C | 2400 |
Da leitura e interpretação do desenho, em conexão com a tabela e considerando a norma mencionada, é correto afirmar que, para este projeto,
Provas
Em relação ao sistema de proteção de motores trifásicos, considere os códigos:
A = somente fusíveis;
B = fusíveis e relé por imagem térmica;
C = fusíveis e sondas térmicas a termistor.
Para a eficácia da proteção, considere a legenda:
0 = NÃO protegido;
1 = semiprotegido;
2 = protegido.
Assim, para os defeitos “FALTA DE FASE” e “ROTOR BLOQUEADO”, em relação aos sistemas de proteção na ordem A, B e C, a legenda aplicável, respectivamente, é:
Provas
Considere a parte de um programa de um controlador lógico-programável, em linguagem ladder, abaixo representada.

Então, é correto afirmar que
Provas
Em automação industrial é muito empregado o sistema numérico hexadecimal. O número 1214 na base 10, em hexadecimal, é representado por
Provas
O grau de proteção necessário a um quadro elétrico de uma instalação elétrica industrial, que deve possuir proteção contra deposição de pó em seu interior e jatos d’água de todas as direções, é
Provas
Em baixa tensão, para conter quatro cabos unipolares de mesma bitola, cada um com diâmetro externo de 12 mm, o diâmetro interno mínimo de um eletroduto deve ser
Provas
Caderno Container