Foram encontradas 196 questões.
Em um sistema de transmissão SDH (Synchronous Digital Hierarchy) composto por um STM-1 (155 Mbps), o número máximo de containers C-12 transportando tributários de 2 Mbps é igual a:
Provas
Questão presente nas seguintes provas
Duas fibras óticas de 10 km são emendadas com um conector ótico formando uma linha de transmissão ótica com 20 km. Considere a perda nas fibras óticas igual a 0,1 dB/Km, a perda no conector ótico de 0,5 dB e que na entrada da fibra é aplicado um sinal ótico com potência igual a 10 mW. A potência entregue no final dessa linha de transmissão é de:
Provas
Questão presente nas seguintes provas
Para o circuito construído utilizando um amplificador operacional ideal, o valor da tensão em Vo é igual a:

Provas
Questão presente nas seguintes provas
No circuito abaixo, o diodo zener DZ1 pode ser modelado como tendo uma queda de tensão constante igual a 10 V no sentido reverso e uma queda de tensão constante igual a 0,8 V no sentido direto. A tensão fornecida pela fonte de tensão contínua VS pode variar entre 16 V e 21 V. Com relação a este circuito, podemos afirmar que a máxima potência dissipada no diodo zener é:

Provas
Questão presente nas seguintes provas
No circuito abaixo, todos os flip-flops estão, inicialmente, com suas saídas em nível lógico baixo, e a entrada CLK está ligada a um sinal digital periódico. Com relação a este circuito, todas as alternativas estão corretas, EXCETO:

Provas
Questão presente nas seguintes provas
Com relação à funcionalidade do circuito com um flip-flop tipo JK abaixo, podemos afirmar que:

Provas
Questão presente nas seguintes provas
Com relação à funcionalidade dos circuitos com portas lógicas abaixo, podemos afirmar que:

Provas
Questão presente nas seguintes provas
Com relação à função booleana !$ X = f (A, B, C) = A \bar {B} \bar {C} + \bar {A} B \bar {C} + AB\bar {C} !$, todas as afirmativas estão corretas, EXCETO:
Provas
Questão presente nas seguintes provas
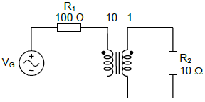
A fonte de tensão alternada VG ligada ao circuito com um transformador ideal abaixo tem um valor eficaz de 110 V. Com relação a este circuito, podemos afirmar que a potência dissipada no resistor R2 é:

Provas
Questão presente nas seguintes provas
Um determinado amplificador tem o ganho de tensão diretamente proporcional à impedância do circuito ligado como carga em sua saída. Considerando que o circuito RLC abaixo está ligado à saída desse amplificador, podemos afirmar que o módulo do seu ganho de tensão é:

Provas
Questão presente nas seguintes provas
Cadernos
Caderno Container