Foram encontradas 50 questões.
Um sinal digital é modulado segundo a técnica 8-PSK e transmitido em um sistema de baixa velocidade a uma taxa de 2.400 baud. A taxa em bps (bit por segundo) é de:
Provas
Questão presente nas seguintes provas
Para se multiplexar 12 canais de voz de 4 kHz com uma banda de guarda (proteção) de 400 Hz entre os canais, utilizando a técnica de multiplexação por divisão de frequência (FDM), a banda de passagem necessária será de:
Provas
Questão presente nas seguintes provas
Um sinal monobit (dois níveis) é transmitido em um meio sem ruído a uma taxa de 9600 bps. A largura de banda mínima desse meio de transmissão é:
Provas
Questão presente nas seguintes provas
Todas as características abaixo sobre satélites de comunicação estão corretas, EXCETO:
Provas
Questão presente nas seguintes provas
Em um sistema de transmissão SDH (Synchronous Digital Hierarchy) composto por um STM-1 (155 Mbps), o número máximo de containers C-12 transportando tributários de 2 Mbps é igual a:
Provas
Questão presente nas seguintes provas
Duas fibras óticas de 10 km são emendadas com um conector ótico formando uma linha de transmissão ótica com 20 km. Considere a perda nas fibras óticas igual a 0,1 dB/Km, a perda no conector ótico de 0,5 dB e que na entrada da fibra é aplicado um sinal ótico com potência igual a 10 mW. A potência entregue no final dessa linha de transmissão é de:
Provas
Questão presente nas seguintes provas
Para o circuito construído utilizando um amplificador operacional ideal, o valor da tensão em Vo é igual a:

Provas
Questão presente nas seguintes provas
No circuito abaixo, o diodo zener DZ1 pode ser modelado como tendo uma queda de tensão constante igual a 10 V no sentido reverso e uma queda de tensão constante igual a 0,8 V no sentido direto. A tensão fornecida pela fonte de tensão contínua VS pode variar entre 16 V e 21 V. Com relação a este circuito, podemos afirmar que a máxima potência dissipada no diodo zener é:

Provas
Questão presente nas seguintes provas
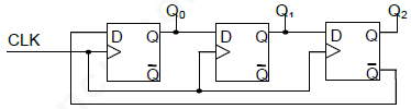
No circuito abaixo, todos os flip-flops estão, inicialmente, com suas saídas em nível lógico baixo, e a entrada CLK está ligada a um sinal digital periódico. Com relação a este circuito, todas as alternativas estão corretas, EXCETO:

Provas
Questão presente nas seguintes provas
Com relação à funcionalidade do circuito com um flip-flop tipo JK abaixo, podemos afirmar que:

Provas
Questão presente nas seguintes provas
Cadernos
Caderno Container