Foram encontradas 40 questões.

O circuito apresentado se refere a uma polarização muito utilizada em circuitos com transistores bipolares. Para que a tensão entre coletor e emissor seja de 7,3 V, o valor da tensão (Vcc) aplicada ao circuito é
Provas
Questão presente nas seguintes provas
O circuito a seguir foi desenvolvido com intuito de ligar e desligar um relé através da saída Q do FF (Flip-Flop) para acionar um motor AC. Ao energizar o relé em nível lógico alto, o motor é acionado e, ao desenergizar o relé nível lógico 0, o motor é desacionado. Inicialmente, a saída Q está em nível lógico 0.

Assinale a alternativa que melhor descreve corretamente o funcionamento do circuito.
Provas
Questão presente nas seguintes provas

Reguladores de tensão são utilizados com o objetivo de manter um valor de tensão apropriado para circuitos eletrônicos. Na configuração apresentada anteriormente, assinale o valor da corrente que circula por R2.
Provas
Questão presente nas seguintes provas
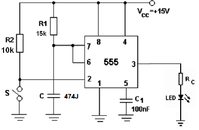
Um técnico em eletrônica apresentou o seguinte esquema elétrico, conforme a imagem de um circuito temporizador. Ele não conseguiu realizar a medição do capacitor C, apenas anotou os números que estavam descritos no corpo do componente, sendo 474 J, onde J é a tolerância do capacitor.

Ao analisar o funcionamento do circuito em uma bancada, é correto afirmar que ao fechar a chave S
Provas
Questão presente nas seguintes provas
Observe um circuito somador inversor com amplificador operacional que está sendo utilizado como um conversor digital/analógico com resistor ponderado. Nas entradas A, B, C e D são aplicados bits 1 ou 0. O bit 1 equivale a uma tensão contínua igual a 10 V e o bit 0 a zero volts.

Sabe-se que um técnico está analisando o circuito que não está funcionando corretamente. Ele ligou em todas as entradas o bit 1 e mediu na saída VA um valor de tensão igual a –6,875 V. Analisando o resultado da medição, conclui-se que um resistor estava aberto. Este resistor é o de
Provas
Questão presente nas seguintes provas
Memórias são dispositivos eletrônicos capazes de armazenar informações, podendo ser voláteis ou não voláteis. Considere uma memória RAM de 4K x 4. É correto afirmar que sua capacidade, em bits, é
Provas
Questão presente nas seguintes provas
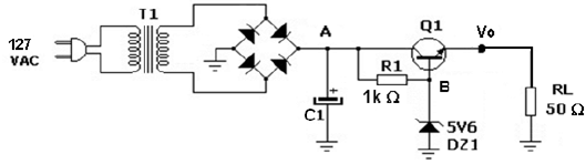
Quando alimentado pela rede de 127 VAC, o circuito da figura fornece uma tensão de 20 V no ponto A. Considere ganho de corrente (β) de Q1 igual a 100.

Analise a alternativa que apresenta corretamente um valor de tensão ou corrente desse circuito.
Provas
Questão presente nas seguintes provas
Read text to answer question.

The Bellagio Lake Resort
Provas
Questão presente nas seguintes provas
Read text to answer question.

A property at the Bellagio Lake Resort will cost up to
Provas
Questão presente nas seguintes provas
Read text to answer question.

The word that does NOT belong in the group is
Provas
Questão presente nas seguintes provas
Cadernos
Caderno Container