Foram encontradas 300 questões.
Ao medir a tensão das baterias de um veículo com o motor em funcionamento, o valor encontrado chegou até 15,2V.
Dessa forma, é CORRETO afirmar que:
Provas
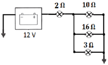
Considere o circuito elétrico a seguir:

É CORRETO afirmar que a potência no circuito é de:
Provas
Em um circuito elétrico de um automóvel estão ligados em paralelo a lâmpada do porta-luvas, a lâmpada do teto e o comando do retrovisor elétrico, contudo todos são protegidos pelo mesmo fusível.
Nesse caso, é CORRETO afirmar que o tipo de circuito é o:
Provas
Ao realizar uma medição de tensão elétrica com um multímetro é necessário observar alguns procedimentos.
Neste contexto, assinale a alternativa que apresenta CORRETAMENTE um desses procedimentos.
Provas
Os direitos humanos têm como uma de suas características o fato de que o seu não exercício por determinado lapso temporal não implicará a perda de sua titularidade ou a impossibilidade de seu exercício posterior.
Por esse motivo, é CORRETO afirmar que os direitos fundamentais são:
Provas
Os direitos humanos são fruto de um processo histórico de conquistas de toda a humanidade.
Assinale a alternativa que NÃO apresenta características atribuídas aos direitos humanos.
Provas
Um dos princípios que deve orientar a interpretação e a aplicação dos direitos humanos é o princípio da máxima efetividade.
Acerca do referido princípio hermenêutico, é INCORRETO afirmar que:
Provas
É CORRETO afirmar que os tratados e convenções internacionais sobre direitos humanos que forem aprovados, em cada Casa do Congresso Nacional poderão ter natureza jurídica equivalente às emendas constitucionais, desde que:
Provas
Dentre as características atribuídas aos direitos humanos está o reconhecimento de que a eles se aplicam àquilo que se convencionou denominar “efeito cliquet”.
Dessa forma, assinale a alternativa que apresenta CORRETAMENTE a característica dos direitos humanos em que se fundamenta o referido efeito.
Provas
Acerca da responsabilidade civil por dano ambiental, disciplinada pela Lei Federal nº 9.605 de 1998, é INCORRETO afirmar que:
Provas
Caderno Container