Foram encontradas 1.125 questões.
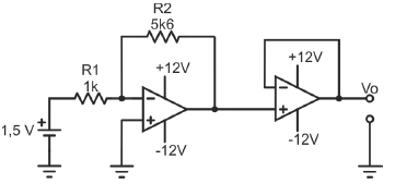
Analise o circuito eletrônico a seguir responsável pela ampliação de um sinal de tensão.

Considerando que os amplificadores operacionais são ideais, assinale a alternativa que indica corretamente a tensão da saída Vo.
Provas
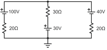
Analise o circuito elétrico a seguir que associa resistores e fontes de tensão contínua.

Assinale a alternativa que indica corretamente o módulo da corrente que atravessa o resistor de 30 Ω.
Provas
Relés de interface ou relés acopladores são amplamente utilizados na montagem de painéis de automação.
Assinale a alternativa correta sobre esses componentes.
Provas
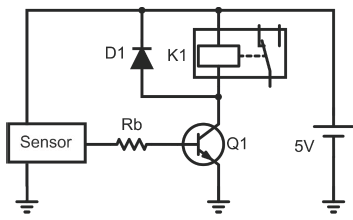
Um técnico de automação decidiu utilizar um sensor para acionar um relé eletromecânico quando a saída digital do sensor comutar para nível lógico alto (5 V). No entanto, o sensor apresenta uma limitação de corrente máxima em sua saída de 2 mA.
Para possibilitar o acionamento, foi construído o circuito eletrônico a seguir:

Considerando que o relé K1 consome 100 mA e que o transistor Q1 escolhido apresenta Icmax = 200 mA, Vce(sat) = 0,2 V, Vbe(sat) = 0,7 V e hFE(sat) = 100, o resistor Rb comercial que permite o acionamento do relé sem extrapolar o limite de corrente do sensor é:
Provas
Um sistema de movimentação foi projetado para utilizar um motor de passo NEMA 23 com resolução de 1,8° por passo. O projeto estabelece que um CLP deve enviar os pulsos de comando para o drive do motor de passo.
Sabendo que o CLP envia 400 pulsos de comando, desejando obter uma rotação completa no eixo do motor, assinale a alternativa que indica corretamente
a configuração que o técnico de automação deve configurar no drive do motor de passo.
Provas
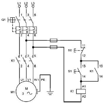
O diagrama elétrico a seguir apresenta um circuito para manobra e proteção de um motor elétrico trifásico.

Assinale a alternativa que identifica corretamente o elemento deste circuito responsável pela proteção contra curto-circuito e sobrecorrente nos enrolamentos do motor.
Provas
Nas instalações elétricas industriais, assim como nas instalações residenciais, são necessários dispositivos de segurança como fusíveis e disjuntores.
Assinale a alternativa correta sobre estes dispositivos de proteção.
Provas
A montagem de painéis de automação envolve a interligação entre fios e cabos. A conexão interna pode ser facilitada com a adoção de bornes para distribuição de energia e interligação de circuitos.
Assinale a alternativa correta sobre os bornes para conexão elétrica.
Provas
Assinale a alternativa correta sobre a parametrização de inversores de frequência.
Provas
A figura a seguir é uma representação simplificada, onde os terminadores foram suprimidos, de uma rede de comunicação industrial formada por um controlador (CLP) conectado a vários dispositivos de campo (sensores).

Assinale a alternativa que identifica corretamente o tipo de topologia física dessa rede de comunicação industrial.
Provas
Caderno Container