Foram encontradas 50 questões.
A utilização de rádiotransmissão permite o monitoramento a distância de estações de captação, estações de tratamento, estações elevatórias, reservatórios e outros pontos de interesse um sistema de saneamento.
Assinale a alternativa correta sobre a rádio transmissão aplicada ao saneamento.
Provas
Em painéis de automação, é comum a utilização de transformadores para alterar o valor eficaz da tensão da rede de alimentação local para valores compatíveis com os exigidos pelos componentes no painel.
Assinale a alternativa correta sobre os transformadores.
Provas
Os extensômetros resistivos são sensores empregados em uma série de aplicações que envolvem medições de pressão, força e outras grandezas.
Eles estão associados com um circuito comum na instrumentação, a ponte de Wheatstone, como na figura a seguir:

Considerando que a ponte de Wheatstone se encontra em equilíbrio e o potenciômetro encontra-se ajustado em 270 Ω, assinale a alternativa que indica corretamente a resistência elétrica atual do extensômetro.
Provas
Um painel de automação é responsável pelo acionamento de um motor trifásico instalado em uma bomba de uma estação elevatória de esgoto. No entanto, há uma falha que impede o funcionamento de forma contínua. Para identificar essa falha, um técnico em automação faz um diagnóstico dos componentes presentes no painel.
Com base no comportamento esperado dos componentes de proteção e comando, assinale a alternativa que apresenta uma hipótese corretamente formulada pelo técnico.
Provas
Um dispositivo utilizado em sistemas de saneamento para medição de vazão em canal aberto é a calha Parshall. A medição é realizada pela leitura do nível do líquido em uma escala graduada na parede da calha. No entanto, pode-se optar pela automação desta medição.
Assinale a alternativa que indica corretamente um sensor de nível capaz de realizar a medição sem contato direto com o líquido na calha Parshall.
Provas
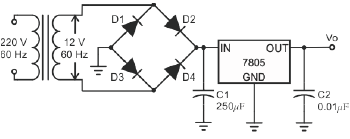
A figura a seguir exibe uma fonte de tensão que pode ser utilizada em painéis de automação para alimentação de circuitos lógicos e de baixa tensão.

Assinale a alternativa correta sobre a fonte de alimentação em questão.
Provas
Falhas em equipamentos elétricos frequentemente são ocasionadas por conexões realizadas de forma inadequada.
Assinale a alternativa correta sobre as conexões elétricas em instalações de baixa tensão.
Provas
A segurança de um equipamento ou instalação está diretamente relacionada com o projeto e montagem adequada de isolamentos elétricos.
Para averiguar a resistência de isolamento em um painel de automação, transformador ou motor elétrico, um técnico em automação deve fazer uso preferencialmente de um:
Provas
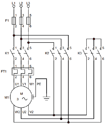
A partida de motores empregando a técnica estrela-triângulo exige correto acionamento dos elementos que compõem o circuito.
A figura a seguir exibe em exemplo de circuito de potência utilizado nesta técnica.

Assinale a alternativa correta com base no diagrama apresentado e nas características da técnica de partida estrela- triângulo.
Provas
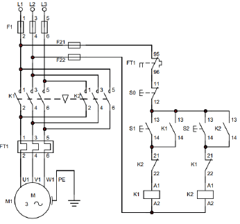
No diagrama elétrico a seguir são exibidos os circuitos de potência e de comando de um motor elétrico trifásico.

Assinale a alternativa correta em relação ao funcionamento desse circuito.
Provas
Caderno Container