Foram encontradas 658 questões.
Uma instalação elétrica monofásica foi analisada
usando um multímetro.
Primeiro a tensão alternada foi medida e o multímetro indicou o valor de 215 V eficazes. Após isso, mediu-se a corrente e o valor medido foi de 30 A.
Considerando que as características elétricas não se alteraram entre as medidas, é correto afirmar:
1. A potência ativa do sistema é de 6450 W. 2. A potência aparente do sistema é de 6450 VA. 3. A potência reativa do sistema é de 6450 VAr. 4. Devido à queda de tensão, o sistema deve ter harmônicas de corrente.
Assinale a alternativa que indica todas as afirmativas corretas.
Primeiro a tensão alternada foi medida e o multímetro indicou o valor de 215 V eficazes. Após isso, mediu-se a corrente e o valor medido foi de 30 A.
Considerando que as características elétricas não se alteraram entre as medidas, é correto afirmar:
1. A potência ativa do sistema é de 6450 W. 2. A potência aparente do sistema é de 6450 VA. 3. A potência reativa do sistema é de 6450 VAr. 4. Devido à queda de tensão, o sistema deve ter harmônicas de corrente.
Assinale a alternativa que indica todas as afirmativas corretas.
Provas
Questão presente nas seguintes provas
Analise as afirmativas abaixo sobre as características de um indutor com entreferro dominante.
1. A indutância é proporcional ao quadrado do número de espiras. 2. A tensão em um indutor é diretamente proporcional à indutância multiplicada pela corrente ao quadrado. 3. O valor da indutância é influenciado pelas propriedades magnéticas do núcleo e não é influenciado pelo tamanho do entreferro.
Assinale a alternativa que indica todas as afirmativas corretas.
1. A indutância é proporcional ao quadrado do número de espiras. 2. A tensão em um indutor é diretamente proporcional à indutância multiplicada pela corrente ao quadrado. 3. O valor da indutância é influenciado pelas propriedades magnéticas do núcleo e não é influenciado pelo tamanho do entreferro.
Assinale a alternativa que indica todas as afirmativas corretas.
Provas
Questão presente nas seguintes provas
Um wattímetro foi colocado em um circuito para medir a potência ativa de uma dada carga.

A tensão de entrada é senoidal e possui 220 V eficazes e frequência de 60 Hz.
Os valores de resistência e indutância são:
• R1 = R2 = 3 Ω e
• L1 = 21,22 mH.
Qual a leitura do wattímetro?
Provas
Questão presente nas seguintes provas
Um transformador de 50 kVA e relação de transformação de 12000:380 V tem uma impedância em
série equivalente de 0,01 + j∙0,02 por unidade.
Qual a impedância série equivalente em ohms referida ao lado de alta tensão?
Qual a impedância série equivalente em ohms referida ao lado de alta tensão?
Provas
Questão presente nas seguintes provas
Seja o circuito com uma fonte de tensão monofásica (VE) em série com uma resistência de 2 Ω e uma
indutância de 500 mH.
A equação da tensão de entrada é mostrada a seguir:
• VE = √2∙220∙sen(4∙t + 60°)
Assinale a alternativa que indica corretamente o ângulo da corrente da fonte.
A equação da tensão de entrada é mostrada a seguir:
• VE = √2∙220∙sen(4∙t + 60°)
Assinale a alternativa que indica corretamente o ângulo da corrente da fonte.
Provas
Questão presente nas seguintes provas
Qual a corrente de linha em regime permanente
de uma carga trifásica linear de 10 kW e fator de
potência capacitivo de 0,8 conectada a uma rede trifásica com tensão de fase de 220 V?
Provas
Questão presente nas seguintes provas
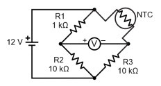
Os termistores são sensores caracterizados pela
variação de resistência em função da temperatura.
Um termistor do tipo NTC encontra-se conectado ao circuito de instrumentação apresentado na figura abaixo.
Sabendo que o voltímetro conectado ao circuito apresenta a indicação de 0 volts, assinale a alternativa que corresponde corretamente ao valor da resistência elétrica do termistor no momento da medição da tensão elétrica:
Um termistor do tipo NTC encontra-se conectado ao circuito de instrumentação apresentado na figura abaixo.
Sabendo que o voltímetro conectado ao circuito apresenta a indicação de 0 volts, assinale a alternativa que corresponde corretamente ao valor da resistência elétrica do termistor no momento da medição da tensão elétrica:
Provas
Questão presente nas seguintes provas
Assinale a alternativa correta em relação às redes
industriais e suas características.
Provas
Questão presente nas seguintes provas
Em um arquivo .dwg, após as unidades serem
configuradas, constam, apenas, o desenho de uma
superfície circular e uma polilinha quebrada, situados
sobre o plano XY do sistema de coordenadas absolutas do AutoCAD.
Dados estes elementos, criou-se uma figura tridimensional cilíndrica, utilizando o comando SWEEP (Varredura). Após esta etapa, desenhou-se um cubo, por meio do comando BOX (Caixa). Por fim, deseja-se posicionar a peça cilíndrica centralizada à face lateral direita do cubo.
Para movimentar o objeto e realizar a alteração do sistema de coordenadas para coordenadas relativas, de acordo com o apresentado no texto, deve-se, portanto, realizar os seguintes procedimentos:
Dados estes elementos, criou-se uma figura tridimensional cilíndrica, utilizando o comando SWEEP (Varredura). Após esta etapa, desenhou-se um cubo, por meio do comando BOX (Caixa). Por fim, deseja-se posicionar a peça cilíndrica centralizada à face lateral direita do cubo.
Para movimentar o objeto e realizar a alteração do sistema de coordenadas para coordenadas relativas, de acordo com o apresentado no texto, deve-se, portanto, realizar os seguintes procedimentos:
Provas
Questão presente nas seguintes provas
O caracter “@” (at ou arroba) possui qual atribuição quanto à definição dos tipos de coordenadas no
AutoCAD?
Provas
Questão presente nas seguintes provas
Cadernos
Caderno Container