Foram encontradas 658 questões.
Analise as afirmativas abaixo sobre eficiência
energética:
1. As paredes, o teto e as janelas devem ser limpos com frequência, já que o projeto dos sistemas de iluminação é realizado de acordo com a cor das paredes, piso e teto, na condição de limpos.
2. Sempre que possível, os motores devem ser superdimensionados, pois a operação com 50% da carga nominal é a região com melhor eficiência dos motores.
3. Motores com cargas variáveis devem ser instalados com soft-starters para garantir o melhor funcionamento independente da carga.
Assinale a alternativa que indica todas as afirmativas corretas.
1. As paredes, o teto e as janelas devem ser limpos com frequência, já que o projeto dos sistemas de iluminação é realizado de acordo com a cor das paredes, piso e teto, na condição de limpos.
2. Sempre que possível, os motores devem ser superdimensionados, pois a operação com 50% da carga nominal é a região com melhor eficiência dos motores.
3. Motores com cargas variáveis devem ser instalados com soft-starters para garantir o melhor funcionamento independente da carga.
Assinale a alternativa que indica todas as afirmativas corretas.
Provas
Questão presente nas seguintes provas
Assinale a alternativa correta com relação ao uso
dos dispositivos de proteção diferencial residual (DR).
Provas
Questão presente nas seguintes provas
A Norma Técnica da CELESC N-321-0001 estabelece critérios para o fornecimento de energia elétrica
em Tensão Secundária de Distribuição.
Analise as afirmativas abaixo com relação a essa norma.
1. Motores monofásicos com potência superior a 15 CV deverão possuir dispositivo que aumente o torque de partida, tais como softstarter, chave compensadora ou inversor de frequência.
2. O limite de fornecimento para a tensão secundária de distribuição de uma unidade consumidora é que a carga instalada seja igual ou inferior a 75 kW.
3. No ramal de entrada o condutor neutro deverá possuir um dispositivo de proteção capaz de causar a sua interrupção em caso de curto-circuito.
4. Não serão permitidas emendas nos condutores do ramal de entrada.
Assinale a alternativa que indica todas as afirmativas corretas.
Analise as afirmativas abaixo com relação a essa norma.
1. Motores monofásicos com potência superior a 15 CV deverão possuir dispositivo que aumente o torque de partida, tais como softstarter, chave compensadora ou inversor de frequência.
2. O limite de fornecimento para a tensão secundária de distribuição de uma unidade consumidora é que a carga instalada seja igual ou inferior a 75 kW.
3. No ramal de entrada o condutor neutro deverá possuir um dispositivo de proteção capaz de causar a sua interrupção em caso de curto-circuito.
4. Não serão permitidas emendas nos condutores do ramal de entrada.
Assinale a alternativa que indica todas as afirmativas corretas.
Provas
Questão presente nas seguintes provas
Seja um motor que demande 26 Nm de torque no
eixo e opere em uma rotação do rotor de 1763 rpm.
Assinale a alternativa que indica corretamente a potência elétrica necessária desse motor para atender aos requisitos mecânicos.
Assinale a alternativa que indica corretamente a potência elétrica necessária desse motor para atender aos requisitos mecânicos.
Provas
Questão presente nas seguintes provas
A NBR5410 estabelece a normatização para instalações elétricas de baixa tensão.
Assinale a alternativa correta com relação aos critérios dessa norma.
Provas
Questão presente nas seguintes provas
Um motor elétrico trifásico de 6 terminais foi
ligado em estrela em uma rede elétrica trifásica com
380 V de linha. A corrente de linha para a carga nominal é de 6,75 A.
Assinale a alternativa que indica corretamente a corrente de linha da rede elétrica se o motor for ligado em triângulo com uma rede trifásica com 220 V de tensão de linha.
Assinale a alternativa que indica corretamente a corrente de linha da rede elétrica se o motor for ligado em triângulo com uma rede trifásica com 220 V de tensão de linha.
Provas
Questão presente nas seguintes provas
Considere um motor elétrico de indução trifásico
de 4 polos.
Qual será a velocidade do rotor ao ser conectado em uma rede elétrica de 60 Hz com escorregamento de 2%?
Qual será a velocidade do rotor ao ser conectado em uma rede elétrica de 60 Hz com escorregamento de 2%?
Provas
Questão presente nas seguintes provas
Assinale a alternativa que indica corretamente o
tipo de motor utilizado como alternativa aos bancos
de capacitores para a correção do fator de potência.
Provas
Questão presente nas seguintes provas
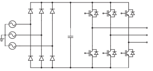
Caso 1
O circuito da figura abaixo mostra um inversor de frequência convencional para o acionamento de motores de indução.

Provas
Questão presente nas seguintes provas
Um transformador monofásico de 240:120 V e
12 kVA é conectado em forma de autotransformador
com relação 360:120 V.
Qual a potência aparente do autotransformador?
Qual a potência aparente do autotransformador?
Provas
Questão presente nas seguintes provas
Cadernos
Caderno Container