Foram encontradas 996 questões.
Toda instalação elétrica de alta e baixa tensão deve possuir um
sistema de aterramento dimensionado adequadamente, a fim de
apresentar desempenho satisfatório do ponto de vista elétrico e
também reduzir os riscos de acidentes fatais. A esse respeito,
julgue os seguintes itens.
I Tensão de toque é aquela entre o pé e a mão da pessoa que toca uma massa metálica energizada em relação à terra, ocasionada, por exemplo, por uma falha de isolamento.
II Tensão de passo é aquela que surge no solo entre os pés de uma pessoa que está próxima de um eletrodo (ou malha) de aterramento no instante em que passa pelo solo uma corrente elétrica proveniente, por exemplo, de uma descarga atmosférica ou defeito para a terra.
III A fim de reduzir a tensão de passo em ambientes de subestações de energia elétrica, devem ser colocadas camadas de brita sobre o solo para melhorar o nível de isolamento do indivíduo.
Assinale a opção correta.
I Tensão de toque é aquela entre o pé e a mão da pessoa que toca uma massa metálica energizada em relação à terra, ocasionada, por exemplo, por uma falha de isolamento.
II Tensão de passo é aquela que surge no solo entre os pés de uma pessoa que está próxima de um eletrodo (ou malha) de aterramento no instante em que passa pelo solo uma corrente elétrica proveniente, por exemplo, de uma descarga atmosférica ou defeito para a terra.
III A fim de reduzir a tensão de passo em ambientes de subestações de energia elétrica, devem ser colocadas camadas de brita sobre o solo para melhorar o nível de isolamento do indivíduo.
Assinale a opção correta.
Provas
Questão presente nas seguintes provas

Com base na figura precedente, que ilustra o circuito de força de uma chave de partida suave do tipo triângulo/estrela, é correto afirmar que, quando os contatores
Provas
Questão presente nas seguintes provas
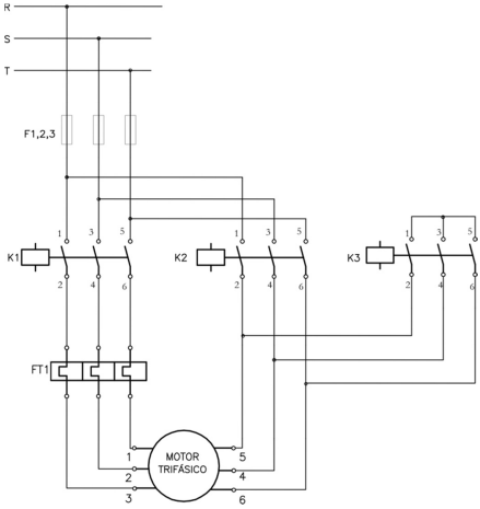
Acerca do acionamento elétrico de motores de indução trifásicos
via chave de partida direta sem reversão, julgue os seguintes
itens.
I Em cada fase do circuito de força, utiliza-se um contato normalmente fechado do contator em série com o terminal de alimentação do motor.
II No circuito de comando, utiliza-se um contato de selo ou de retenção do tipo normalmente fechado em paralelo com a botoeira liga.
III No circuito de comando, o contato normalmente fechado do relé térmico deve ser conectado em série com a botoeira desliga.
Assinale a opção correta.
I Em cada fase do circuito de força, utiliza-se um contato normalmente fechado do contator em série com o terminal de alimentação do motor.
II No circuito de comando, utiliza-se um contato de selo ou de retenção do tipo normalmente fechado em paralelo com a botoeira liga.
III No circuito de comando, o contato normalmente fechado do relé térmico deve ser conectado em série com a botoeira desliga.
Assinale a opção correta.
Provas
Questão presente nas seguintes provas
Assinale a opção em que são apresentados apenas equipamentos
empregados em circuitos de força e comando de acionamento
elétrico de motores de indução trifásicos.
Provas
Questão presente nas seguintes provas
3363363
Ano: 2024
Disciplina: TI - Desenvolvimento de Sistemas
Banca: CESPE / CEBRASPE
Orgão: CAGEPA
Disciplina: TI - Desenvolvimento de Sistemas
Banca: CESPE / CEBRASPE
Orgão: CAGEPA
Provas:
A respeito do uso da linguagem Python no geoprocessamento, assinale a opção correta.
Provas
Questão presente nas seguintes provas
Clientes WebGIS
Provas
Questão presente nas seguintes provas
A linguagem SQL, que é importante para o gerenciamento de
dados em SGBD e se estende para a manipulação de dados
espaciais em contextos de geoprocessamento,
I permite a criação de dados, possibilitando a estruturação de dados em DDL.
II admite o controle de transações de dados.
III é ideal para o suporte a dados em tempo real.
Assinale a opção correta.
I permite a criação de dados, possibilitando a estruturação de dados em DDL.
II admite o controle de transações de dados.
III é ideal para o suporte a dados em tempo real.
Assinale a opção correta.
Provas
Questão presente nas seguintes provas
Um sistema de gerenciamento de banco de dados (SGBD)
I tem como uma de suas funções o armazenamento de dados.
II permite a realização de operações de CRUD.
III executa operações de segurança e controle de acesso de dados.
IV executa backup e recuperação de dados.
Assinale a opção correta.
I tem como uma de suas funções o armazenamento de dados.
II permite a realização de operações de CRUD.
III executa operações de segurança e controle de acesso de dados.
IV executa backup e recuperação de dados.
Assinale a opção correta.
Provas
Questão presente nas seguintes provas
Tendo em vista que a geração de modelos digitais do
terreno (MDT) a partir de diferentes fontes de dados é um
processo fundamental em geoprocessamento, pois cada tipo de
dado pode fornecer informações distintas e complementares
sobre a superfície terrestre, assinale a opção correta acerca desse
tema.
Provas
Questão presente nas seguintes provas
3363358
Ano: 2024
Disciplina: TI - Desenvolvimento de Sistemas
Banca: CESPE / CEBRASPE
Orgão: CAGEPA
Disciplina: TI - Desenvolvimento de Sistemas
Banca: CESPE / CEBRASPE
Orgão: CAGEPA
Provas:
Tendo em vista que Python é uma linguagem de programação
amplamente utilizada para geoprocessamento devido à sua
simplicidade e versatilidade e à vasta gama de bibliotecas
disponíveis para manipulação de dados geoespaciais, assinale a
opção correta acerca da aplicação dessa linguagem na área de
geoprocessamento.
Provas
Questão presente nas seguintes provas
Cadernos
Caderno Container