Foram encontradas 1.411 questões.
Um gás ideal com 45 g de massa sofre uma expansão isotérmica a 27ºC, passando de um volume inicial de 5 L para um volume final de 20 L. O trabalho, em joule, realizado pelo gás é
(Dados: constante universal dos gases = 8,3 J/(mol·K)
massa molar do gás = 30 g/mol
ln(2) !$ \cong !$ 0,7)
Provas

A figura acima mostra o gráfico pressão versus volume de uma transformação cíclica executada com um gás ideal. Com relação à transformação, o trabalho total realizado em um ciclo, em kJ, é
Provas
A respeito das fontes de energia elétrica é correto afirmar que
Provas
A análise de faltas assimétricas em sistemas trifásicos é bastante simplificada quando são usados componentes simétricos. Convencionou-se para esse estudo que !$ \vec V_1^{(F)} !$ é a tensão de seqüência positiva antes da falta e que !$ \vec Z_0 !$,!$ \vec Z_1 !$ e !$ \vec Z_2 !$ são as impedâncias de seqüências zero, positiva e negativa. Para um curto-circuito Fase-Terra, a corrente de falta de seqüência positiva !$ (\vec I_1) !$ e a equação que relaciona os módulos da corrente de falta de seqüência positiva !$ (I_1) !$ com a corrente de falta !$ (I_F) !$, respectivamente, são:
Provas

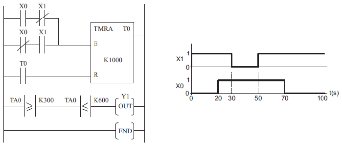
A figura acima mostra os gráficos dos sinais X0 e X1 e o programa de um CLP em linguagem Ladder, contendo um temporizador acumulador, onde E representa o sinal de enable e R, o de reset. A base de tempo do temporizador é de 0,1s. Sabe-se que a bobina de saída Y1 comanda o acendimento de uma lâmpada. Considerando o intervalo de tempo de 100s apresentado nos gráficos e que o temporizador foi inicializado em t = 0, durante quantos segundos, aproximadamente, a lâmpada permanecerá acesa?
Provas

O circuito da figura acima implementa um compensador usado em controle de processos. O modelo matemático que presenta este circuito através da função de transferência que relaciona !$ { \large V_o(s) \over V_i(s)} !$ no Domínio de Laplace é
Provas
Em uma instalação elétrica, o aterramento deve propiciar segurança e funcionalidade. Os esquemas de aterramento em baixa tensão, normalizados pela NBR 5410, são o TN, TT e IT. A esse respeito, é correto afirmar que o esquema
Provas

O esquema de aterramento apresentado na figura acima é o
Provas

Um controlador lógico programável (CLP), cujo programa em linguagem Ladder é apresentado na figura acima, será usado para comandar uma bomba de recalque que abastece um reservatório de água. Com base no programa e nas especificações das entradas, é correto afirmar que a(o)
Provas

A figura apresenta a parte de controle do circuito de acionamento de duas máquinas trifásicas em uma instalação fabril, comandadas por intermédio dos contatores M1 e M2. As chaves S0, S1 e S2 são do tipo sem retenção. A ação de acionar uma chave significa apertá-la e, em seguida, deixá-la retornar à sua posição inicial. Os relés C1 e C2 são do tipo com retardo na ligação, programados para 10 minutos e 15 minutos, respectivamente. Considere que a última ação do operador ao final de cada expediente seja o acionamento da chave S0.
Ao iniciar o expediente do dia 16/02, o operador aciona a chave S1 às 8h e, 5 minutos depois, a chave S2. Com relação ao funcionamento normal do circuito e não ocorrendo novas interferências do operador, é correto afirmar que
Provas
Caderno Container