Foram encontradas 1.411 questões.

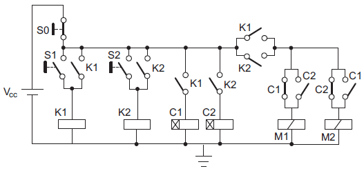
A figura apresenta a parte de controle do circuito de acionamento de duas máquinas trifásicas em uma instalação fabril, comandadas por intermédio dos contatores M1 e M2. As chaves S0, S1 e S2 são do tipo sem retenção. A ação de acionar uma chave significa apertá-la e, em seguida, deixá-la retornar à sua posição inicial. Os relés C1 e C2 são do tipo com retardo na ligação, programados para 10 minutos e 15 minutos, respectivamente. Considere que a última ação do operador ao final de cada expediente seja o acionamento da chave S0.
Ao iniciar o expediente do dia 15/02, o operador aciona a chave S2 às 8h. Com relação ao funcionamento normal do circuito, e não ocorrendo novas interferências do operador,
Provas

Máquinas elétricas síncronas podem ser utilizadas para corrigir o fator de potência de sistemas elétricos, isto é, podem operar de forma que a reatância equivalente vista de seus terminais seja equivalente à de um capacitor. Considere o circuito equivalente monofásico de uma máquina síncrona, mostrado na figura acima. Para que a impedância equivalente vista dos terminais MN seja de !$ -j0, 4 \Omega !$ , o valor da tensão VE deve ser
Provas

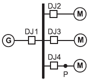
Um gerador (G) de 600 kVA, 2,0 kV, com X"d = 0,20 pu (reatância subtransiente) é conectado a um barramento através do disjuntor DJ1, conforme mostrado na figura acima. No mesmo barramento estão conectados três motores síncronos (M) idênticos de 200 kW, 2,0 kV e X"d = 0,20 pu. Considere que os motores estão operando em plena carga, fator de potência unitário, tensão nominal e, também, que os mesmos têm eficiência igual a 1,0. Suponha, ainda, que ocorra uma falta trifásica no ponto P, indicado na figura. Desconsiderando a corrente de pré-falta, então, a corrente de falta, em ampère, que passa pelo disjuntor DJ4 é
Provas
Um gerador síncrono a diesel tem 36 pólos. Qual deve ser a velocidade de rotação, em rpm, para que a freqüência da tensão de saída seja igual a 60 Hz?
Provas

A matriz de capacitâncias (Mcap) de uma linha de transmissão a circuito duplo é mostrada acima, parcialmente, onde já é considerado o efeito dos cabos pára-raios. Os dois circuitos (a1-b1-c1 e a2-b2-c2) operam em paralelo. Considerando as condições de contorno próprias para esta condição operativa, a matriz (3x3) de capacitâncias equivalente, em nF/km, dessa linha a circuito duplo é
Provas
Uma máquina síncrona elementar é composta por três enrolamentos no estator, defasados de 120º, e um enrolamento no rotor alimentado em corrente contínua. A respeito desse tipo de máquina, afirma-se que
I - os motores síncronos possuem os chamados “enrolamentos amortecedores”, devido à inexistência de torque na partida;
II - a tensão do estator em vazio é denominada “tensão de excitação”;
III - a freqüência de variação do fluxo em uma bobina do rotor depende do número de pólos da máquina.
Está(ão) correta(s) a(s) afirmativa(s)
Provas
Uma indústria tem vários motores de indução instalados, perfazendo uma potência de 480 kW e um motor síncrono de 500 kVA. Esta indústria opera com todos os motores de indução funcionando simultaneamente a plena carga, apresentando um fator de potência total de 0,8 para estes motores. O motor síncrono funciona com 400 kVA e com fator de potência igual a 1,0. Atuando somente no motor síncrono, de maneira que ele continue realizando o mesmo trabalho, pode-se elevar o fator de potência de toda a instalação de acordo com
| condição inicial |
após a atuação no |
Provas
Um motor de indução de 16 hp, 220 V, 60 Hz, 6 pólos, conectado em Y, tem um escorregamento de 5% em plena carga. Sabendo que 1 hp = 746 W e !$ \sqrt 3 \cong 1,73 !$ , o torque no eixo do motor, em newton-metro, na condição de plena carga é:
Provas
Um motor de indução aciona uma carga cujo torque varia em função de sua velocidade de rotação, de acordo com !$ \tau_{carga} = k_2 \ \omega_r !$. A curva de torque-velocidade do motor pode ser linearizada em torno do ponto de operação, sendo o torque dado por !$ \tau_{motor} = k_1 (\omega_s - \omega_r) !$, onde !$ \omega_s !$ e !$ \omega_r !$ são, respectivamente, a velocidade síncrona e a velocidade do rotor. De acordo com os dados apresentados, e sabendo que k1 e k2 são constantes, o escorregamento do motor é
Provas
Um motor de indução ligado a uma rede operando em 60 Hz aciona uma carga a 1770 rpm. O menor escorregamento percentual que se pode ter desse motor é
Provas
Caderno Container