Foram encontradas 746 questões.
Durante a manutenção de um motor elétrico, verificou-se que ocorreram contatos mecânicos entre a superfície externa do rotor e a superfície interna do núcleo do estator.
A provável causa desse defeito é:
Provas
Nas instalações elétricas de baixa tensão, conforme a Norma ABNT NBR 5410, a proteção contra choques elétricos é realizada pela aplicação do seguinte dispositivo de proteção:
Provas
Um motor de indução trifásico é acionado por um dispositivo de acionamento semiautomático, que tem seu circuito de força mostrado na figura a seguir:

Para que o motor de indução tenha sua corrente de partida limitada a 64% de sua corrente de partida nominal, o valor do TAP da tensão de saída do autotransformador (T1) deve ser ajustado para:
Provas
Um motor de indução trifásico de 10 CV, 6 polos, 60 Hz, opera em condições nominais com escorregamento de 5%. A velocidade nominal do eixo desse motor de indução é de:
Provas
Um transformador monofásico de 3,6 kVA, 240 V / 120 V, tem seu enrolamento primário conectado a uma fonte de corrente alternada de 220 V. Nessa condição de alimentação, admitindo que não existam perdas associadas ao dispositivo, a máxima potência aparente da carga capaz de ser alimentada pelo enrolamento secundário desse transformador é:
Provas
A velocidade nominal do eixo de um gerador de corrente alternada trifásico de 16 polos e frequência de 60 Hz é:
Provas
Em uma instalação elétrica, o condutor presente em cada circuito que tem por finalidade fornecer um caminho para eventuais correntes de falta e que deve ser dimensionado de forma a possibilitar a atuação dos dispositivos de proteção é denominado condutor
Provas
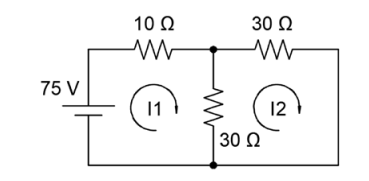
Considere o circuito mostrado na figura a seguir:

Os valores das correntes I1 e I2 são, respectivamente:
Provas
O circuito composto por resistores, capacitores e indutores, mostrado na figura a seguir, opera em corrente alternada e tem os valores da resistência e das reatâncias indicados para a operação na frequência da fonte.

Nessa condição de operação, a potência dissipada em R é de
Provas
- Medidas ElétricasTransformadores para instrumentos, Transformador de potencial e Transformador de corrente
Deseja-se medir a intensidade de corrente de um circuito de corrente alternada, que atinge valores da ordem de 600 A, empregando-se um instrumento cujo fundo de escala é de 5 A. Para isso, é empregado um transformador de corrente com relação de transformação de 800 A : 5 A.
Se o valor indicado no instrumento é de 2,8 A, a corrente real do circuito corresponde a
Provas
Caderno Container