Foram encontradas 1.140 questões.

O circuito acima refere-se ao modelo para pequenos sinais e baixas frequências de um amplificador de tensão constituído de transistor bipolar de junção (TBJ) na configuração emissor-comum. Nesse circuito, os parâmetros para pequenos sinais são gm = 16,6 × 10-3 S, rB = 6,0 k!$ \Omega !$ e ro = 121 k!$ \Omega !$. Com referência a esse circuito, julgue o item seguinte.
Para que haja máxima absorção de potência pela carga RG, é necessário que o valor de RG seja diferente da resistência equivalente de Thévenin do circuito amplificador, que, no circuito apresentado, é dada precisamente por 2,5 k!$ \Omega !$.
Provas
Questão presente nas seguintes provas

O circuito acima refere-se ao modelo para pequenos sinais e baixas frequências de um amplificador de tensão constituído de transistor bipolar de junção (TBJ) na configuração emissor-comum. Nesse circuito, os parâmetros para pequenos sinais são gm = 16,6 × 10-3 S, rB = 6,0 k!$ \Omega !$ e ro = 121 k!$ \Omega !$. Com referência a esse circuito, julgue o item seguinte.
O ganho de tensão do circuito amplificador em questão equivale, aproximadamente, a Av = – 20,6 V/V. Nesse circuito, um sinal de saída vout está defasado de 180º com respeito a um sinal de entrada senoidal vin.
Provas
Questão presente nas seguintes provas

O circuito acima refere-se ao modelo para pequenos sinais e baixas frequências de um amplificador de tensão constituído de transistor bipolar de junção (TBJ) na configuração emissor-comum. Nesse circuito, os parâmetros para pequenos sinais são gm = 16,6 × 10-3 S, rB = 6,0 k!$ \Omega !$ e ro = 121 k!$ \Omega !$. Com referência a esse circuito, julgue o item seguinte.
A resistência de entrada do circuito amplificador, Rin, é igual a 20 k!$ \Omega !$.
Provas
Questão presente nas seguintes provas
Acerca de conceitos relacionados a mecatrônica, julgue o item subsequente.
O volume do espaço de trabalho de um robô manipulador depende não somente da quantidade de juntas que ele possui, mas, principalmente, da configuração geométrica do manipulador e das restrições físicas das juntas.
Provas
Questão presente nas seguintes provas
Acerca de conceitos relacionados a mecatrônica, julgue o item subsequente.
Um conversor D/A de 8 bits cuja faixa de escala total seja de 10 V possui uma faixa de erro superior a 19 mV.
Provas
Questão presente nas seguintes provas
Acerca de conceitos relacionados a mecatrônica, julgue o item subsequente.
As linguagens de programação de controladores lógicos programáveis podem ser classificadas em tabulares, textuais e gráficas: nesse último tipo, encontra-se a linguagem por diagrama de relés, ou ladder.
Provas
Questão presente nas seguintes provas
Acerca de conceitos relacionados a mecatrônica, julgue o item subsequente.
Um servomotor consiste em um motor (AC, DC, ou DC sem escovas) combinado com um sensor de posição (geralmente um encoder), e é utilizado para controle de velocidade em malha aberta, ou seja, sem realimentação.
Provas
Questão presente nas seguintes provas
Acerca de conceitos relacionados a mecatrônica, julgue o item subsequente.
A diferença entre um regulador e um servocontrole é o sinal algébrico aplicado à realimentação.
Provas
Questão presente nas seguintes provas

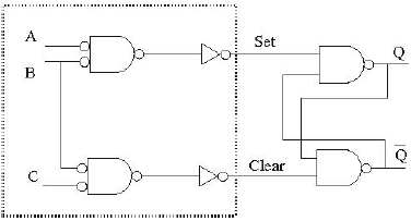
Um sistema digital, como o circuito mostrado na figura acima, resulta da combinação de dispositivos eletrônicos desenvolvidos especialmente com a finalidade de manipular grandezas que representem informações no formato digital. Julgue o seguinte item, acerca do circuito mostrado na figura e de circuitos digitais.
Os flip-flops são circuitos com a característica de manter fixo o valor da sua saída, mesmo que algumas de suas entradas variem, trocando de valor somente quando determinada entrada do circuito pulse momentaneamente. Essa característica torna o flip-flop um componente básico em circuitos de memória digital.
Provas
Questão presente nas seguintes provas

Um sistema digital, como o circuito mostrado na figura acima, resulta da combinação de dispositivos eletrônicos desenvolvidos especialmente com a finalidade de manipular grandezas que representem informações no formato digital. Julgue o seguinte item, acerca do circuito mostrado na figura e de circuitos digitais.
Os sistemas de numeração utilizados em sistemas digitais são: o binário, para representação dos níveis típicos de tensão empregados em circuitos digitais; o decimal, universalmente utilizado para representar quantidades fora dos sistemas digitais; o octal e o hexadecimal, ambos utilizados com a finalidade de representar números binários grandes de forma eficiente e simples. As conversões entre os sistemas binário, octal e hexadecimal são extremamente simples pelo fato de as bases desses sistemas de numeração serem múltiplos de dois.
Provas
Questão presente nas seguintes provas
Cadernos
Caderno Container