Foram encontradas 765 questões.
- Demonstrações ContábeisBP: Balanço Patrimonial
- Normas ContábeisCPCsCPC 25: Provisões, Passivos e Ativos Contingentes
A Cia. Desenrola está respondendo a processos em diversas áreas. Em 31/12/2016, apresentava as seguintes informações sobre seus processos, com valores em reais:

Para o fechamento do Balanço Patrimonial em 31/12/2017, a Cia. reavaliou os processos nos quais estava envolvida e obteve as seguintes informações, com valores em reais:

Com base nas informações, o impacto no resultado de 2017 decorrente da reavaliação dos processos judiciais foi, em reais,
Provas
A Cia. Liquidez é uma empresa comercial e apresentava as seguintes demonstrações contábeis, com os valores expressos em reais:

Sabendo-se que as despesas com juros não foram pagas e que o terreno foi vendido à vista, o fluxo de caixa decorrente das Atividades Operacionais gerado em 2017 foi, em reais,
Provas
- Análise de Demonstrações ContábeisEstrutura de Capital e SolvênciaIndicadores de Endividamento e Solvência
- Análise de Demonstrações ContábeisÍndices
Sobre a empresa Gama, considere:

Com base nessas informações, é correto afirmar que
Provas
- Normas ContábeisCPCsCPC 18: Investimento em Coligada e Controle em ConjuntoMEP: Método da Equivalência Patrimonial
- Contabilidade AvançadaInvestimentos
A tabela a seguir apresenta as participações societárias que a Cia. Investe em Tudo detém das empresas investidas, Cias. A, B e C, bem como o resultado líquido que cada uma destas empresas investidas apurou em 2017, em reais:

As Cias. A, B e C possuíam apenas ações ordinárias e não existiam resultados não realizados entre a Cia. Investe em Tudo e suas investidas. Com base nestas informações, o Resultado de Equivalência Patrimonial apurado pela Cia. Investe em Tudo, em 2017, foi, em reais,
Provas
Em uma obra, foi necessário realizar uma escavação em areia média, conforme o diagrama de pressões a seguir.
Dados:
− Diagrama de pressão: P = 0,65 × γ × H × ka
onde:
H = diferença de cotas
ka coeficiente de empuxo ativo = 1/3
γ = massa específica da areia
− Características da areia média:
− Massa específica = 1,95 g/cm3
− Coesão (c) = 0
− Adotar: Aceleração da gravidade g = 10 m/s2

O valor da pressão ativa (P) do diagrama de pressões é, em kPa,
Provas
Considere o projeto de estaqueamento para os pilares P1 e P2, conforme figura a seguir:
Valores das cargas dos pilares: P1 = 3000 kN e P2 = 3700 kN
Dados:
− Número máximo de estacas em linha = 3 (para blocos de uma linha de estacas)
− Diâmetro da estaca = 50 cm
− Distância mínima entre eixo de estacas = 150 cm
− Distância mínima do eixo de estaca à divisa = 50 cm
− Carga admissível da estaca = 1000 kN
− Dimensões dos pilares em cm

Como o pilar P1 é de divisa com carga de 3000 kN, serão necessárias
Provas
Considere o levantamento altimétrico a seguir:

As cotas estão corretamente expressas em:
Provas
- Engenharia de TráfegoEstradas
- Gerenciamento, Planejamento e Controle de Obras
- Orçamento no Planejamento e Controle de Obras na Engenharia Civil
Considere o diagrama de massas, conforme figura a seguir:

Dados:
− Escala horizontal: 1 cm: 50 m
− Escala vertical: 1 cm: 100 m3
− Custo do transporte: R$ 0,50/m3.dam (decâmetro)
O valor do custo de transporte para o trecho total do diagrama é, em reais,
Provas
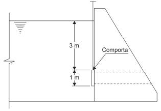
Considere a barragem ilustrada na figura a seguir:

Para o projeto de uma pequena barragem de concreto em uma fazenda foi necessário instalar uma comporta vertical quadrada 1 m × 1 m de ferro fundido, cujo topo encontra-se a 3 m de profundidade do nível da água. Considerando o peso específico da água 10 kN/m3, a força resultante do empuxo que a água exerce na comporta é, em kN,
Provas
- Gerenciamento, Planejamento e Controle de Obras
- Orçamento no Planejamento e Controle de Obras na Engenharia Civil
Um dos itens do orçamento de uma construção é o lançamento de 20 m3 de concreto dosado com fck igual a 25 MPa em uma estrutura para a qual um engenheiro utilizou a composição unitária a seguir.

Como a construtora pratica 28% de BDI e deve pagar 125% de encargos sociais, o preço do referido item é, em reais,
Provas
Caderno Container