Magna Concursos

Foram encontradas 1.172 questões.

Um sinal analógico pode ser multiplexado no tempo para otimizar a ocupação de banda no meio de transmissão. Para realizar a transmissão de um sinal na forma digital, o sinal analógico deve ser digitalizado. Abaixo é mostrado um diagrama em blocos com as quatro etapas pelas quais um sinal analógico deve passar, até estar pronto para ser transmitido digitalmente.
Enunciado 3168632-1

Para o sinal digital ser gerado corretamente, as etapas 1, 2, 3 e 4 são, respectivamente
 

Provas

Questão presente nas seguintes provas
Ao escolher uma antena para uma aplicação específica, um engenheiro deve estar atento às suas especificações, dentre as quais a diretividade. A alternativa que define corretamente o conceito de diretividade de uma antena é:
 

Provas

Questão presente nas seguintes provas
Um certo cabo coaxial tem o fator de velocidade de 0,8 (80%). Deseja-se cortar um trecho desse cabo que tenha o tamanho equivalente a ¼ de comprimento de onda na frequência de 50 MHz. O tamanho físico desse trecho de cabo será igual a
 

Provas

Questão presente nas seguintes provas
Um guia de onda retangular é um tipo de linha de transmissão que é utilizado em sistemas de comunicação que operam na faixa de micro-ondas. As dimensões internas (“a” e “b”, sendo a > b) definem a faixa de frequências em que um guia de onda pode operar adequadamente. Nos estudos teóricos de um guia de onda retangular, encontramos que podem existir vários modos de propagação, tanto do tipo TEnm (transversal elétrico) como do tipo TMnm (transversal magnético). Os vários modos TE e TM dependem de constantes “n” e “m”, que são números inteiros.

Sobre esse tema, analise as afirmativas a seguir:

I) A menor frequência que pode ser utilizada adequadamente em um guia de onda retangular no modo TE10 depende somente da dimensão “a” e do dielétrico existente no interior do guia de onda. II) A maior frequência do sinal que pode ser utilizado em um guia de onda retangular de forma que se propague somente o modo TE10 depende das dimensões “a” e “b”. III) Para que o modo de propagação TEM (transversal eletromagnético) possa existir em um guia de onda retangular, a frequência mínima deve ser superior à frequência de corte dos modos TE e TM.
É CORRETO o que se afirma em:
 

Provas

Questão presente nas seguintes provas
Conforme a proteção conferida à pessoa pelo direito humano e fundamental à integridade física, é CORRETO afirmar que a interpretação atual da matéria na Constituição da República Federativa do Brasil de 1988
 

Provas

Questão presente nas seguintes provas
2624479 Ano: 2023
Disciplina: Eletroeletrônica
Banca: FUMARC
Orgão: AL-MG
Em muitos ohmímetros, a resistência dos cabos do instrumento é somada à resistência que se quer medir, causando um erro na medida, principalmente se o valor da resistência a ser medida for da mesma ordem de grandeza da resistência dos cabos. Alguns instrumentos resolvem esse problema através de uma ligação a quatro fios, conforme mostrado no diagrama abaixo.
Enunciado 3170743-1


Essa ligação a quatro fios é chamada de
 

Provas

Questão presente nas seguintes provas
2624478 Ano: 2023
Disciplina: Eletroeletrônica
Banca: FUMARC
Orgão: AL-MG
Abaixo está a reprodução de notícia sobre comercialização de produtos não homologados pela Anatel.
“A Agência Nacional de Telecomunicações (Anatel) apreendeu, entre terça (21) e sexta-feira (24), 5,7 mil produtos clandestinos em armazéns da Amazon. A mercadoria, avaliada em R$ 500 mil, era de telecomunicação e não estava homologada. A operação ocorreu em Betim (MG) e Cajamar (SP). De acordo com a Anatel, produtos como celulares, baterias portáteis e fones de ouvido sem fio foram apreendidos durante a fiscalização.” Fonte: https://g1.globo.com/df/distrito-federal/noticia/2022/06/26/anatel-apreende57-mil-produtos-clandestinos-em-armazens-da-amazon.ghtml, acessado em 05/12/2022.
A seguir são apresentas afirmativas sobre os objetivos do Certificado de Homologação de produtos expedido pela Anatel:

I) Permitir a comercialização ou utilização apenas de produtos que atendam aos requisitos de segurança e de não agressão ao meio ambiente.
II) Trabalhar em conjunto com a Receita Federal para controlar o preço dos produtos certificados.
III) Prover proteção e segurança aos usuários dos produtos para telecomunicações, facilitando identificação de produtos de origem “pirata”.
IV) Impedir a entrada no território nacional de de equipamentos fabricados no exterior.
É CORRETO apenas o que se afirma em:
 

Provas

Questão presente nas seguintes provas
2624477 Ano: 2023
Disciplina: Eletroeletrônica
Banca: FUMARC
Orgão: AL-MG
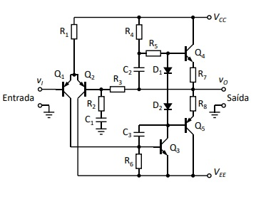
Abaixo é mostrado o diagrama esquemático de um amplificador de potência de áudio. Por causa de um problema de fabricação, os diodos D1 e D2 passaram a se comportar como curto-circuito.
Enunciado 3170741-1


O efeito que esse problema causará no funcionamento do amplificador está corretamente descrito em:
 

Provas

Questão presente nas seguintes provas
2624476 Ano: 2023
Disciplina: Eletroeletrônica
Banca: FUMARC
Orgão: AL-MG
A norma brasileira NR 14565 especifica um cabeamento estruturado para edifício ou um conjunto de edifícios (denominado “Campus”). Ela discrimina as classes e as categorias de desempenho para um cabeamento estruturado. Dentre as classes mostradas a seguir, a especificada para uma largura de banda de 500 MHz é:
 

Provas

Questão presente nas seguintes provas
2624475 Ano: 2023
Disciplina: Eletroeletrônica
Banca: FUMARC
Orgão: AL-MG
O endereçamento IPv-4 sem classes foi desenvolvido e implementado para resolver o problema do esgotamento dos endereços de classes e oferecer acesso à internet a um número maior de organizações. Nesse método de endereçamento, os endereços são concedidos em blocos. Uma forma de definir o primeiro e o último endereço de um bloco de endereços é utilizar qualquer endereço do bloco e a máscara. Um dos endereços IP de um bloco de endereços é 201.32.134.39 /26, onde a máscara está representada utilizando-se a notação CIDR (Classless Inter-Domain Routing). O primeiro endereço desse bloco é
 

Provas

Questão presente nas seguintes provas