Foram encontradas 2.300 questões.
Com relação às tecnologias de microeletrônica utilizadas na implementação de sistemas digitais, julgue os itens que se seguem.
A saída de uma porta lógica do tipo tri-state tem a capacidade de assumir, além dos níveis lógicos alto e baixo, o estado de alta impedância.
Provas
Com relação às tecnologias de microeletrônica utilizadas na implementação de sistemas digitais, julgue os itens que se seguem.
Os dispositivos do tipo CMOS utilizam, na sua fabricação, transistores NMOS, mas não utilizam transistores PMOS, em virtude do tempo de comutação baixo destes últimos.
Provas
Com relação às tecnologias de microeletrônica utilizadas na implementação de sistemas digitais, julgue os itens que se seguem.
Os dispositivos TTL do tipo LS apresentam maior consumo e maior velocidade de comutação que os dispositivos TTL padrão.
Provas
Com relação às tecnologias de microeletrônica utilizadas na implementação de sistemas digitais, julgue os itens que se seguem.
Os dispositivos TTL do tipo coletor aberto não requerem o uso de um resistor de pull-up entre a saída da porta e a tensão de alimentação de um sistema digital.
Provas

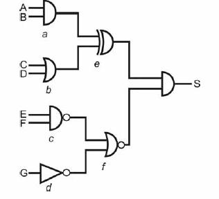
A figura acima mostra um circuito combinacional implementado com portas lógicas. Esse circuito possui sete entradas, indicadas pelas letras de A até G, e uma saída S. Com relação a esse circuito, julgue os itens subsequentes.
Se as entradas A, B, C, D, E, F e G assumirem, respectivamente, os níveis lógicos 1, 1, 0, 1, 1, 1 e 1, então a saída S assumirá o nível lógico 0.
Provas

A figura acima mostra um circuito combinacional implementado com portas lógicas. Esse circuito possui sete entradas, indicadas pelas letras de A até G, e uma saída S. Com relação a esse circuito, julgue os itens subsequentes.
As portas lógicas indicadas por d, e e f são, respectivamente, portas INVERSORA, OU-EXCLUSIVO e NÃO-OU.
Provas

A figura acima mostra um circuito combinacional implementado com portas lógicas. Esse circuito possui sete entradas, indicadas pelas letras de A até G, e uma saída S. Com relação a esse circuito, julgue os itens subsequentes.
As portas lógicas indicadas por a, b e c são, respectivamente, portas E, OU e NÃO-E.
Provas

A figura acima mostra um circuito combinacional implementado com portas lógicas. Esse circuito possui sete entradas, indicadas pelas letras de A até G, e uma saída S. Com relação a esse circuito, julgue os itens subsequentes.
Se a entrada G tiver nível lógico 0, então a saída S terá sempre o nível lógico 0, quaisquer que sejam os valores lógicos das demais variáveis de entrada.
Provas

Julgue o item que se segue, com relação à tabela verdade acima, referente a um circuito combinacional com quatro entradas - A, B, C e D - e uma saída - S.
A expressão lógica mínima, na forma produto de somas, que corresponde à tabela verdade é \(S = \overline{D}\cdot(\overline{B} + \overline{C})\)
Provas

A expressão lógica mínima, na forma soma de produtos, que corresponde à tabela verdade é S = A.B+C.D.
Provas
Caderno Container