Foram encontradas 2.300 questões.

Considerando que todos os componentes desses circuitos sejam ideais, julgue o item seguinte.
No circuito da figura II, se R1 = 2 k\(\Omega\) e R2 = 18 k\(\Omega\), então o ganho do amplificador será igual a 9, e o amplificador será do tipo não-inversor.
Provas

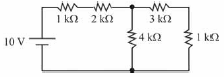
No que se refere ao circuito elétrico acima, julgue o item subsequente.
A potência consumida no resistor de 2 k\( \Omega \) é igual a 8 W.
Provas

VI é igual a 10 k\(\Omega\).
Provas

V é igual a 5 k\(\Omega\).
Provas

IV é igual a 6,5 k\(\Omega\).
Provas

III é igual a 1,2 k\(\Omega\).
Provas

II é igual a 27 k\(\Omega\).
Provas

Considerando as figuras de I a VI acima, que mostram diversas associações de resistores, é correto afirmar que a resistência equivalente entre os terminais A e B do circuito na figura
I é igual a 6 k\(\Omega\).
Provas
Considerando que razonetes são registros simplificados que contrapõem em suas colunas os débitos e créditos de cada conta contábil, cada um dos próximos itens apresenta uma conta e os fatos que a alteram. Julgue os razonetes apresentados nos próximos itens de acordo com a conta que representam.

Provas
Maria, Pedro e Regina compraram, cada um, no mesmo dia, uma televisão cujo preço de vitrine era de R$ 6.000,00. Maria comprou a televisão à vista e recebeu um desconto de 2,5% sobre o preço de vitrine. Pedro adquiriu a televisão em 2 prestações mensais, iguais e consecutivas, sem desconto sobre o preço de vitrine — com a primeira prestação vencendo um mês após a compra. Regina comprou a televisão em 3 prestações mensais, iguais e consecutivas, sem desconto sobre o preço de vitrine — a primeira prestação foi paga no ato da compra. Regina, após pagar a primeira prestação, e Pedro, no mesmo dia da compra, aplicaram R$ 4.000,00 e R$ 6.000,00, respectivamente, em uma instituição financeira que lhes oferecia juros compostos mensais de 2%, com o objetivo de usar o dinheiro dessa aplicação para pagar as prestações da compra.
Com base na situação hipotética acima e tomando 0,98 e 0,96 como os valores aproximados de 1,02-1 e 1,02-2, respectivamente, julgue os itens a seguir, considerando a quantia que cada um deveria ter no ato da compra.
A opção de pagamento escolhida por Regina foi a menos vantajosa.
Provas
Caderno Container