Foram encontradas 3.470 questões.
Provas
Provas
A Figura abaixo representa a leitura obtida na medição de uma peça, utilizando-se um paquímetro com precisão de 1/128”, cujo vernier e escala da haste estão representados.

O valor da leitura obtida é
Provas
Soldagem é o mais importante processo de união de metais utilizado industrialmente. Diferentes processos utilizados na fabricação e recuperação de peças, equipamentos e estruturas são abrangidos pelo termo. A soldagem pode ser feita a arco, utilizando eletrodo consumível ou não consumível.
Temos a seguir enumerados, alguns processos a arco com eletrodo consumível, EXCETO:
Provas
Considere um eixo de seção circular constante, submetido a esforços diversos e sujeito a deformações na sua linha neutra. A coluna 1 apresenta tendências de deformações; e a 2, diversos tipos de solicitações. Enumere a coluna 2 com base nas informações da coluna 1.

Quanto à correlação entre as colunas 1 e 2, a sequência CORRETA é
Provas
A viga representada a seguir é de uma fixação de uma máquina içada, onde há um carregamento de 10000kgf que exige as reações dos apoios da maneira indicada na figura.

As reações nos apoios “RA” e “RB” valem, respectivamente, em kgf:
Provas
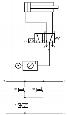
Na ilustração abaixo, está representado um esquema de um circuito eletropneumático utilizado em diversas possibilidades em máquinas e equipamentos em indústrias ou mesmo em máquinas situadas em laboratórios e oficinas.

De acordo com o esquema apresentado, é CORRETO afirmar que
Provas
Provas
O circuito ilustrado abaixo é muito utilizado em máquinas nas indústrias, oficinas e laboratórios. De acordo com o esquema do circuito pneumático abaixo:

Em relação a esse esquema, é CORRETO afirmar que
Provas
Para redução na rotação de um motor elétrico que alimentará um dispositivo de misturação de óleos, temse que saber a distância entre os centros das engrenagens para montagem dos eixos. As engrenagens que compõem o redutor possuem número de dentes: da engrenagem 1, de 60; e o da engrenagem 2, de 150, e seus módulos são iguais a 2.

Sabendo que d=dp1 +dp2 /2 e que dp=m· Z, a distância entre seus centros é de
Provas
Caderno Container