Foram encontradas 358 questões.
Um manômetro marca 6 bar de pressão em uma rede de ar comprimido pressurizada e passa a marcar 0 bar, quando esta é despressurizada. Esse manômetro marca pressão
Provas
Questão presente nas seguintes provas
Em uma situação de emergência, um circuito pneumático apresenta um problema cujo diagnóstico é que uma válvula 3/2 vias, com acionamento por solenoide e com retorno por mola, que aciona um cilindro de simples ação, está com defeito.
As peças de reposição que existem no almoxarifado são:
• uma válvula 5/2 vias simples solenoide retorno por mola.
• duas válvulas 5/2 vias duplo solenoide.
• uma válvula 3/2 vias duplo solenoide.
• quatro válvulas 4/2 vias simples solenoide retorno por mola.
• três bujões com rosca compatível com as válvulas em estoque.
Com base nas informações acima e considerando que o processo não pode parar, o procedimento mais adequado para resolver o problema é
As peças de reposição que existem no almoxarifado são:
• uma válvula 5/2 vias simples solenoide retorno por mola.
• duas válvulas 5/2 vias duplo solenoide.
• uma válvula 3/2 vias duplo solenoide.
• quatro válvulas 4/2 vias simples solenoide retorno por mola.
• três bujões com rosca compatível com as válvulas em estoque.
Com base nas informações acima e considerando que o processo não pode parar, o procedimento mais adequado para resolver o problema é
Provas
Questão presente nas seguintes provas
Para monitoramento de instalações hidráulicas ou pneumáticas, emprega-se um manômetro para medir
Provas
Questão presente nas seguintes provas
O aquecimento, com temperaturas distintas, das extremidades de dois metais diferentes, gera o aparecimento de uma F.E.M. (da ordem de mV). Este princípio, conhecido como efeito de Seebeck, propiciou a utilização de sensor para medição de temperatura.
A descrição acima refere-se ao sensor
A descrição acima refere-se ao sensor
Provas
Questão presente nas seguintes provas
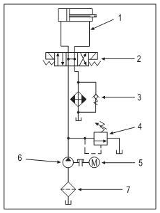
O sistema hidráulico representado pelo circuito abaixo mostra o acionamento de um cilindro de dupla ação avançando e recuando conforme posicionamento da válvula nº 2, determinado pela ação dos dois solenoides. Os elementos que compõem o sistema estão numerados de 1 a 7.

O elemento 4 representa uma válvula, cuja função, nesse circuito, é

O elemento 4 representa uma válvula, cuja função, nesse circuito, é
Provas
Questão presente nas seguintes provas

A variável medida pelo equipamento mostrado na figura acima e o fundo de escala são, respectivamente,
Provas
Questão presente nas seguintes provas

A figura acima ilustra a escala de um micrômetro 0-25 x 0,001 mm, onde se lê, em mm,
Provas
Questão presente nas seguintes provas

Provas
Questão presente nas seguintes provas

Provas
Questão presente nas seguintes provas

Provas
Questão presente nas seguintes provas
Cadernos
Caderno Container