Foram encontradas 6.381 questões.
Disciplina: Engenharia de Telecomunicações
Banca: CESPE / CEBRASPE
Orgão: TELEBRAS
Em uma máquina de estados do tipo Moore, as saídas dependem do estado atual e das entradas do sistema, enquanto, em uma máquina de estados do tipo Mealy, as saídas dependem exclusivamente do estado atual do sistema.
Provas
Disciplina: Engenharia de Telecomunicações
Banca: CESPE / CEBRASPE
Orgão: TELEBRAS

Considerando a tabela-verdade precedente, julgue o item subsequente.
A expressão lógica S = \( \overline{B} \)\( \overline{D} \) + BC\( \overline{D} \) + A\( \overline{B} \)\( \overline{C} \) corresponde à forma mínima, em soma de produtos, associada à tabela-verdade apresentada, considerando-se a minimização pelo menor número total de literais (variáveis complementadas ou não), conforme o critério clássico de simplificação lógica.
Provas
Disciplina: Engenharia de Telecomunicações
Banca: CESPE / CEBRASPE
Orgão: TELEBRAS

Considerando a tabela-verdade precedente, julgue o item subsequente.
Suponha que um circuito seja implementado fisicamente com a tabela-verdade apresentada e que o critério principal da implementação seja o baixo consumo de potência. Nessa situação, o uso de circuitos integrados TTL da família HS será mais adequado que o uso de circuitos integrados CMOS.
Provas
Disciplina: Engenharia de Telecomunicações
Banca: CESPE / CEBRASPE
Orgão: TELEBRAS

O circuito precedente contém uma porta lógica de duas entradas (A e B) e uma saída, implementada por transistores MOS dos tipos PMOS e NMOS, em tecnologia CMOS. Nele, as entradas A e B podem ter apenas níveis lógicos 0 (0 V) ou 1 (VDD), e os transistores operam como chaves ideais, desprezando correntes de fuga.
Esse circuito corresponde a uma porta lógica CMOS do tipo AND, amplamente utilizada em circuitos digitais combinacionais e em circuitos que requerem baixo consumo e alto grau de integração.
Provas
Disciplina: Engenharia de Telecomunicações
Banca: CESPE / CEBRASPE
Orgão: TELEBRAS

A partir das informações e da ilustração apresentadas, considerando que a tensão entre a base e o emissor seja VBE = 0,7 V, julgue o item a seguir.
Os valores aproximados de tensões de polarização nos terminais da base, do emissor e do coletor do transistor são, respectivamente, VB = 5 V, VE = 4,3 V e VC = 10 V.
Provas
Disciplina: Engenharia de Telecomunicações
Banca: CESPE / CEBRASPE
Orgão: TELEBRAS

A partir das informações e da ilustração apresentadas, considerando que a tensão entre a base e o emissor seja VBE = 0,7 V, julgue o item a seguir.
Dentro da faixa de passagem do circuito, o ganho de tensão em CA do circuito é negativo e tem módulo maior que 20.
Provas
Disciplina: Engenharia de Telecomunicações
Banca: CESPE / CEBRASPE
Orgão: TELEBRAS

A partir das informações e da ilustração apresentadas, considerando que a tensão entre a base e o emissor seja VBE = 0,7 V, julgue o item a seguir.
Provas
Disciplina: Engenharia de Telecomunicações
Banca: CESPE / CEBRASPE
Orgão: TELEBRAS

A partir das informações e da ilustração apresentadas, considerando que a tensão entre a base e o emissor seja VBE = 0,7 V, julgue o item a seguir.
Provas
Disciplina: Engenharia de Telecomunicações
Banca: CESPE / CEBRASPE
Orgão: TELEBRAS

A partir das informações e da ilustração apresentadas, considerando que a tensão entre a base e o emissor seja VBE = 0,7 V, julgue o item a seguir.
Provas
Disciplina: Engenharia de Telecomunicações
Banca: CESPE / CEBRASPE
Orgão: TELEBRAS

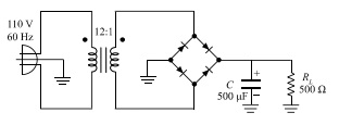
A partir da ilustração precedente, que representa o circuito elétrico de uma fonte de alimentação cuja entrada é de 110 VRMS, julgue o item a seguir.
A tensão média no resistor de carga é maior que 10,5 V, e o valor da tensão de ripple, considerado pico a pico, é maior que 0,2 V.
Provas
Caderno Container