Foram encontradas 3.321 questões.
Convertendo-se a medida 19,8mm para polegada fracionária, encontra-se
Provas
O corte total é aquele que
Provas
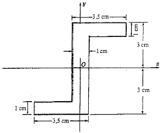
Observe a figura abaixo.

Um dos pontos básicos e fundamentais na utilização de regras das sociedades classificadoras é o cálculo dos momentos de inércia a fim de se obterem os módulos dos perfis e, assim, aplicar as regras e verificar se esses perfis atendem aos requisitos. Considerando que um perfil de alumínio estrutural tem as dimensões nominais indicadas na figura acima, quais são os valores de Ix e Iy, respectivamente, em relação aos eixos que passam pelo ponto "0"?
Provas
Dentre as propriedades apresentadas abaixo, assinale aquela que NÃO corresponde às características dos metais.
Provas
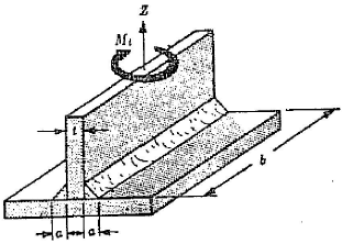
Observe a figura abaixo.

Sendo b=20" e a=3/8" na figura apresentada e sabendo que a tensão admissível de cisalhamento para a solda é 11300 1b/pol2 (-79MPa), qual é o momento torsor admissível para a solda?
Provas
Observe as figuras abaixo.

Um tipo comum de solda utilizado para unir duas chapas é a solda em filete. Essa solda sofre cisalhamento, assim como tração ou compressão, e, frequentemente, também flexão. Com base nas duas chapas apresentadas nas figuras acima, assinale a opção que apresenta a força de tração admissível P que pode ser aplicada usando uma tensão admissível de trabalho de 80 MPa para carga de cisalhamento, conforme indicado pelo Código de Solda por Fusão da Sociedade Americana de Soldagem, considerando apenas tensões de cisalhamento na solda e a carga sendo aplicada no ponto médio entre as duas soldas.
Provas
Observe a figura baixo.

Considerando figura apresentada, em que se aplica a uma barra, presa por um pino de 1" de diâmetro, a força de 150kN, qual a tensão de cisalhamento no pino e as tensões de tração na chapa e de compressão no furo, respectivamente?
Provas
Observe a figura abaixo.

Considerando a simbologia acima, utilizada para a identificação do estado de superfície em desenhos técnicos, pode-se afirmar que na posição ocupada pela letra "e", indica-se
Provas
Observe a figura abaixo.

A luminária de 80kg é suportada por duas hastes AB e BC como mostra a figura acima. Considerando que AB tem diâmetro de 10mm e BC tem diâmetro de 8mm, assinale a opção que apresenta a tensão normal média nas haste BC e BA, respectivamente.
Provas
O desenho de fabricação de uma peça apresenta uma chapa de 10mm de aresta. Depois de fabricada, a chapa ficará com uma área de 4,0m2. assinale a opção que apresenta a escala utilizada no desenho.
Provas
Caderno Container