Foram encontradas 1.581 questões.
2905635
Ano: 2023
Disciplina: Engenharia Hidráulica
Banca: Avança SP
Orgão: DAE-Santa Bárbara Oeste
Disciplina: Engenharia Hidráulica
Banca: Avança SP
Orgão: DAE-Santa Bárbara Oeste
Provas:
Com relação aos sinais de que a rede hidráulica possa estar precisando de reparos, analise os itens a
seguir e, ao final, assinale a alternativa correta:
I – umidade. II – acúmulo de água. III – estufamento de pisos. IV – estufamento de azulejos.
I – umidade. II – acúmulo de água. III – estufamento de pisos. IV – estufamento de azulejos.
Provas
Questão presente nas seguintes provas
2904831
Ano: 2023
Disciplina: Engenharia Hidráulica
Banca: FUNDATEC
Orgão: Pref. São João Polêsine-RS
Disciplina: Engenharia Hidráulica
Banca: FUNDATEC
Orgão: Pref. São João Polêsine-RS
Provas:
Com base nas premissas apresentadas pela ABNT NBR 8160:1999 – Sistemas prediais
de esgoto sanitário, analise as assertivas abaixo e assinale V, se verdadeiras, ou F, se falsas.
( ) Uma das formas de dimensionamento das tubulações do subsistema de coleta e transporte de esgoto sanitário é através do método das Unidades de Hunter de Contribuição (UHC).
( ) O diâmetro nominal mínimo do ramal de descarga considerando-se o aparelho sanitário chuveiro residencial é DN 50.
( ) Adotando-se o diâmetro nominal mínimo do ramal de descarga para o aparelho sanitário pia de cozinha residencial, é correto dizer que a declividade mínima da tubulação deverá ser de 1%.
A ordem correta de preenchimento dos parênteses, de cima para baixo, é:
( ) Uma das formas de dimensionamento das tubulações do subsistema de coleta e transporte de esgoto sanitário é através do método das Unidades de Hunter de Contribuição (UHC).
( ) O diâmetro nominal mínimo do ramal de descarga considerando-se o aparelho sanitário chuveiro residencial é DN 50.
( ) Adotando-se o diâmetro nominal mínimo do ramal de descarga para o aparelho sanitário pia de cozinha residencial, é correto dizer que a declividade mínima da tubulação deverá ser de 1%.
A ordem correta de preenchimento dos parênteses, de cima para baixo, é:
Provas
Questão presente nas seguintes provas
Referente a algumas ferramentas de trabalho utilizadas em serviços hidráulicos (figura adiante), analise as afirmativas a seguir:

I - ponto 1: chave ajustável.
II - ponto 2: chave hexagonal.
III - ponto 3: chaves reta. IV - ponto
4: alicate bomba d9água. V - ponto
5: chave de corrente para tubos de grande diâmetro. VI ponto 6: chave composta. … correto o que se afirma em:

I - ponto 1: chave ajustável.
II - ponto 2: chave hexagonal.
III - ponto 3: chaves reta. IV - ponto
4: alicate bomba d9água. V - ponto
5: chave de corrente para tubos de grande diâmetro. VI ponto 6: chave composta. … correto o que se afirma em:
Provas
Questão presente nas seguintes provas
A automação dos medidores de água ocorre por meio da interface com sensores eletrônicos, porém,
não È um objetivo da utilização de sensores de vazão:
Provas
Questão presente nas seguintes provas
De acordo com a designação dos medidores de água quanto às vazıes, o medidor DN 15/20 poder· ser
utilizado para vazões nominal (Qn) de até:
Provas
Questão presente nas seguintes provas
Qual È o termo técnico utilizado para se referir a maior vazão em m3
/h de um hidrômetro em condições
de utilização, nas quais exige-se
que o medidor funcione de maneira satisfatória dentro dos erros máximos admissíveis?
Provas
Questão presente nas seguintes provas
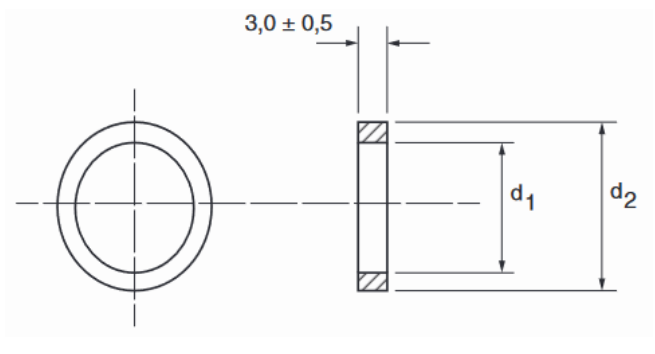
A aferição dos medidores de água È uma medida preventiva no combate ao desperdício de água na rede pública. A figura abaixo representa as juntas de vedação com sua tolerância

A norma NBR 8194 - Medidores de água potável, regulamenta que o limite máximo de tolerância +/- 0,5 mm somente ser· permitido para os medidores do tipo:
Provas
Questão presente nas seguintes provas
Conforme NBR 8194 - Medidores de água potável, os medidores de água devem apresentar uma
numeração própria na forma de um código alfanumérico, localizada no máximo em:
Provas
Questão presente nas seguintes provas
Conforme NBR 8194 - Medidores de água potável, a numeração dos medidores deve ser ⋅nica e
obedecer a um sistema de quantos caracteres alfanuméricos?
Provas
Questão presente nas seguintes provas
Em redes de distribuição de água onde se faz necessário a utilização de tubos de maior rigidez È
recomendado a utilização de junta de flanges. Os tubos e conexões com flanges, geralmente, são indicados para alguns tipos de instalações hidráulicas, exceto:
Provas
Questão presente nas seguintes provas
Cadernos
Caderno Container