Foram encontradas 8.137 questões.
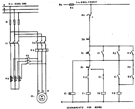
Observe o diagrama de controle a seguir.

Quanto ao diagrama de controle acima, pode-se afirmar que a função do componente d1 é
Provas
No acionamento de motores elétricos de indução trifásicos, de potências entre 5 e 15 cv, são utilizadas chaves estrela-triângulo em função da
Provas
Seja um sistema elétrico de potência cuja condição, em regime permanente, é dada pelo diagrama abaixo.

O circuito entre as barras 1 e 2 representa o modelo π-equivalente de uma linha de transmissão, sendo x12 a reatância série e ysh as susceptâncias em derivação. Inicialmente, os disjuntores d1 e d2 encontram-se fechados e as tensões para as barras 1 e 2 encontram-se indicadas no diagrama. Abrindo-se o disjuntor d2 e permanecendo o disjuntor d1 fechado, haverá uma tensão (Vext) no terminal em aberto da linha de transmissão junto ao disjuntor d2. O valor aproximado do módulo da tensão, em p.u., na extremidade aberta da linha de transmissão (Vext), após a operação do disjuntor d2, é:
Provas
Em relação à análise de estabilidade eletromecânica de sistemas elétricos de potência, assinale a afirmação INCORRETA.
Provas
A efetividade das alternativas propostas em um plano de expansão da transmissão de um sistema é determinada através de estudos de fluxo de potência em condições normais e emergência. As melhores configurações obtidas nos estudos de fluxo de potência devem ser avaliadas nos estudos de curto-circuito e estabilidade, conforme o fluxograma simplificado abaixo.

GÖNEN, T. Electric Power System Transmission System Engineering: Analysis and Design.
Neste contexto, marque a afirmação INCORRETA.
Provas
O setor energético brasileiro volta-se fortemente para o atendimento da demanda dos principais centros consumidores. No entanto, existem inúmeras comunidades isoladas desprovidas de qualquer tipo de serviço energético. Muitas delas não dispõem de energia elétrica para o atendimento das suas necessidades mais elementares, como, por exemplo, a iluminação. Diante dessa situação, são necessárias providências para dirimir tais desigualdades. Nesse contexto, é correto afirmar que a(s):
Provas
O objetivo do estudo de planejamento da expansão da geração é apresentar uma configuração de referência para a expansão da geração do Sistema Interligado Nacional (SIN), para um horizonte de tempo pré-determinado, atendendo às projeções de mercado e critérios que asseguram a garantia de suprimento.

A figura abaixo mostra, qualitativamente, curvas típicas de custos marginais de operação e custos de expansão, em função da oferta de energia do sistema. A esse respeito, considere as seguintes afirmativas:
I − a curva (2) representa os custos de expansão da geração;
II − segundo o Plano Decenal de Expansão (PDE), os custos marginais de operação representam os valores máximos atingidos dentre as hipóteses hidrológicas da simulação energética probabilística;
III − o ponto P é chamado de ponto de operacionalidade ótima, e significa que é indiferente expandir o sistema ou operar o sistema para atender à demanda adicional.
É(São) correta(s), apenas, a(s) afirmativa(s):
Provas
Com relação ao Plano de Ampliações e Reforços da Rede Básica (PAR), assinale a opção correta.
| Órgão |
Periodicidade | Periodicidade |
Provas
No planejamento da expansão de sistemas de geração de energia elétrica, as principais informações a serem tratadas são as características físico-operativas e econômicas das fontes de geração e as pressões de consumo do mercado. As decisões a serem tomadas envolvem a alocação temporal e espacial das capacidades de geração necessárias para atender ao crescimento da demanda ao longo do horizonte de planejamento. Dentro desse contexto, considere as afirmativas a seguir.
I − Nos estudos de planejamento da expansão de sistemas de geração de energia elétrica podem ser caracterizadas duas atividades distintas que se desenvolvem paralelamente: o dimensionamento das fontes de geração e a determinação do programa de expansão do sistema.
II − No dimensionamento das fontes de geração, são realizados os estudos de inventário hidrelétrico das bacias hidrográficas e os estudos de viabilidade técnico-econômica dos aproveitamentos inventariados.
III − Os estudos de determinação do programa de expansão do sistema são realizados no curto prazo, com horizonte de análise de dez anos, pois as usinas geradoras de energia elétrica têm períodos de construção curtos.
É(São) correta(s), apenas, a(s) afirmativa(s):
Provas
Tendo-se em vista as principais características do planejamento da expansão da geração de sistemas termoelétricos, hidroelétricos e hidrotérmicos, assinale a afirmativa INCORRETA.
Provas
Caderno Container