Foram encontradas 8.137 questões.
Disciplina: Eletroeletrônica
Banca: NCE-UFRJ
Orgão: Pref. Santana Araguaia-PA
A energia potencial elétrica de um próton, a uma distância de 0,5mm de um elétron, dado que a carga do próton é a mesma do elétron (1,6 x 10-19c), porém, com o sinal contrário é de:
Provas
Disciplina: Eletroeletrônica
Banca: NCE-UFRJ
Orgão: Pref. Santana Araguaia-PA
Duas bobinas estão ligadas em paralelo e uma tensão constante de 90V é aplicada em seus terminais. A corrente total solicitada é de 20A e a potência dissipada numa das bobinas é de 1200W. Essas resistências, em ohms, são de:
Provas
Disciplina: Eletroeletrônica
Banca: NCE-UFRJ
Orgão: Pref. Santana Araguaia-PA
Num determinado transformador de potencial (TP), ao se aplicar 240V em seu enrolamento primário, obtém-se 0,8V no secundário. O número de espiras e a tensão no secundário que teremos aplicando 138kV no lado primário valem, respectivamente:
Provas
Disciplina: Eletroeletrônica
Banca: NCE-UFRJ
Orgão: Pref. Santana Araguaia-PA
Com relação à elevação do fator de potência de um sistema elétrico, avalie as afirmativas a seguir :
1. reduz a capacidade de transformação dos transformadores;
2. prejudica a operação dos motores elétricos;
3. reduz a demanda mensal contratada com a concessionária;
4. permite a inclusão de mais cargas elétricas ao sistema;
5. eleva a temperatura dos cabos alimentadores;
6. tende a elevar os campos indutivos do sistema elétrico.
São verdadeiras as seguintes afirmativas :
Provas
Analise as seguintes afirmações sobre transformadores.
I. Em um transformador, se o circuito primário tiver menos espiras que o secundário, a tensão será diminuída, e a corrente, aumentada.
II. Um transformador pode tanto ser usado para aumentar quanto para diminuir a tensão de uma corrente, dependendo, apenas, da escolha do circuito que terá o maior número de espiras.
III. Materiais ferrosos de alta permeabilidade magnética (ferromagnetites) são utilizados para minimizar perdas que existiriam, caso a transferência do campo magnético das espiras do primário para o secundário fosse o ar.
Assinale a alternativa que contém a(s) afirmação(ões) CORRETA(S).
Provas
Analise as seguintes afirmações sobre indutores.
I. O aspecto fundamental que caracteriza um indutor é a relação entre o fluxo magnético associado ao dispositivo e a corrente elétrica que o gerou.
II. Um indutor linear dependente do tempo é aquele cujo fluxo magnético, concatenado com este dipolo, for proporcional à corrente elétrica que percorre o dispositivo.
III. Indutância é a grandeza física associada aos indutores, simbolizada pela letra I e medida em joules.
Assinale a alternativa que contém a(s) afirmação(ões) CORRETA(S).
Provas
Analise as seguintes afirmações sobre instrumentos de medição.
I. Um multímetro incorpora diversos instrumentos de medidas elétricas, como voltímetro, amperímetro e ohmímetro em um único aparelho.
II. Um osciloscópio cria um gráfico tri-dimensional visível de uma ou mais diferenças de potencial.
III. Voltímetros podem ser usados para medir tensões contínuas. No entanto, para medir tensões alternadas é necessário utilizar um tensiômetro.
Assinale a alternativa que contém a(s) afirmação(ões) CORRETA(S).
Provas
Analise as seguintes afirmações sobre grandezas básicas da eletricidade.
I. Resistência elétrica é a capacidade de um corpo qualquer se opor à passagem de corrente elétrica por ele, quando existe uma diferença de potencial aplicada.
II. Quanto maior o comprimento e/ou a área de sua seção reta, maior a resistência de um condutor.
III. Potencial elétrico é a capacidade que um corpo energizado tem de realizar trabalho, ou seja, atrair ou repelir outras cargas elétricas.
Assinale a alternativa que contém a(s) afirmação(ões) CORRETA(S).
Provas
Para controlar a velocidade de motores de indução, utilizam-se
Provas
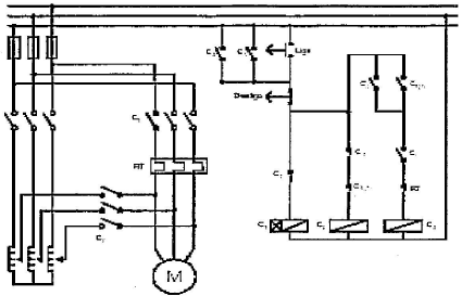
Observe o circuito de potência e controle abaixo

A finalidade desse sistema é a
Provas
Caderno Container