Foram encontradas 8.143 questões.
Um transistor NPN integra um circuito e encontra-se polarizado, de modo que o seu ponto quiescente é caracterizado por: VCE = 4,5 V; VBE = 0,68 V; IC = 3 mA; IB = 12µA. Nesse caso, a potência dissipada pelo coletor (PC) e o ganho direto de corrente (hFE) valem, respectivamente,
Provas
Por uma impedância passa uma corrente
quando é submetida à tensão
Caracteriza essa impedância:
Provas
No set de instruções de transferência de dados de um CLP que trabalha com dados de 16 bits há uma instrução denominada SWAP que
Provas
Quando o microprocessador recebe uma solicitação de interrupção por meio de um pulso externo, o processamento do programa
Provas
Provas
A tabela-verdade abaixo refere-se à porta lógica:

Provas
Um resistor com tolerância de 5% é submetido a uma tensão de 20 V. A corrente que passa por ele é de 6,2 mA e foi medida com um amperímetro. As cores dos anéis que representam o valor nominal desse resistor são:
Provas
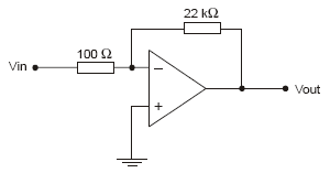
O ganho de tensão do amplificador abaixo vale

Provas
Em um CLP, o conteúdo dos endereços M01 e M02 são, respectivamente, AAH e 55H. Após a execução da operação bit a bit representada por (M03 ← M01 OR M02), o conteúdo do endereço M03 será
Provas
De acordo com a NR-6, Anexo I, há diversos tipos de calçado de segurança, mas NÃO é considerado EPI o calçado de segurança para proteção dos pés
Provas
Caderno Container