Foram encontradas 8.143 questões.

Acerca das saídas X, Y e Z do circuito lógico representado na figura acima, é correto afirmar que, se o estado presente dos flip-flops for
Provas
I. Os motores são identificados com as letras IP seguidas de dois algarismos que variam de 0 a 6. O primeiro algarismo diz respeito à proteção quanto à penetração de corpos sólidos (0 significa sem proteção e 6 proteção contra penetração de poeira) e o segundo algarismo diz respeito à proteção contra a penetração de água (0 significa sem proteção e 6 imersão temporária). Por exemplo, um motor identificado com o código IP-24 tem proteção contra a entrada de corpos estranhos com dimensão acima 12 mm e respingos d’água em todas as direções.
II. Os motores são projetados para trabalharem regularmente com carga constante por tempo indeterminado, desenvolvendo sua potência nominal, o que é denominado de regime contínuo (S1). Além desse regime, os motores podem ser fabricados para trabalhar em regime de curta duração (S2), quando em determinadas situações trabalham com sobrecarga por um curto espaço de tempo, e também no chamado regime intermitente (S3), caso em que são ligados a intervalos de tempo regulares.
III. Os motores monofásicos de 220 V são fabricados para regiões onde o sistema de tensão é 380/220 V, mas podem ser ligados em sistemas 220/127 V, porém não mais entre fase e neutro e sim entre duas fases.
IV. Os motores trifásicos, tipo rotor em gaiola, quando ligados em 380 V, usam como auxiliar de partida a chave estrela-triângulo.
É correto o que consta APENAS em
Provas
NÃO constitui uma característica associada ao sistema de partida estrela-triângulo de motores elétricos de indução:
Provas

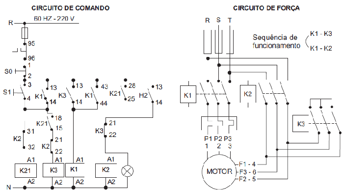
C. M. Franchi, Acionamentos elétricos. In: Érica, 2.ª Ed., 2007, p. 156. (com adaptações).
A
figura acima mostra os diagramas de comando e de força para acionamento
de um motor de indução trifásico. Neste último diagrama, os
dispositivos de acionamento e de proteção comportam-se como se formassem
uma chave de partida direta do motor, responsável pelo acionamento
direto do motor. Com base nessas informações, julgue o item a seguir, a
respeito de acionamentos elétricos.
Considere a seguinte situação.
Pressionado o botão de impulso S1, o motor partiu suavemente, a lâmpada incandescente de sinalização H1 piscou, apagando-se em seguida. O motor atingiu velocidade de regime permanente, mantendo esse estado até ser desligado. Nessa situação, é correto afirmar que durante a partida do motor ocorreu algum problema com a lâmpada, pois ela deveria ter permanecido acesa até que o motor fosse desligado.
Provas

C. M. Franchi, Acionamentos elétricos. In: Érica, 2.ª Ed., 2007, p. 156. (com adaptações).
A figura acima mostra os diagramas de comando e de força para acionamento de um motor de indução trifásico. Neste último diagrama, os dispositivos de acionamento e de proteção comportam-se como se formassem uma chave de partida direta do motor, responsável pelo acionamento direto do motor. Com base nessas informações, julgue o item a seguir, a respeito de acionamentos elétricos.
As concessionárias de energia elétrica permitem que, em instalações industriais, motores de indução trifásicos com qualquer potência sejam acionados com chave de partida direta, desde que a partida ocorra sem carga.
Provas

C. M. Franchi, Acionamentos elétricos. In: Érica, 2.ª Ed., 2007, p. 156. (com adaptações).
A
figura acima mostra os diagramas de comando e de força para acionamento
de um motor de indução trifásico. Neste último diagrama, os
dispositivos de acionamento e de proteção comportam-se como se formassem
uma chave de partida direta do motor, responsável pelo acionamento
direto do motor. Com base nessas informações, julgue o item a seguir, a
respeito de acionamentos elétricos.
O dimensionamento da chave de partida direta depende da corrente nominal do motor. Além disso, a corrente nominal do contator deve ser igual ou superior à corrente nominal do motor.
Provas

C. M. Franchi, Acionamentos elétricos. In: Érica, 2.ª Ed., 2007, p. 156. (com adaptações).
A figura acima mostra os diagramas de comando e de força para acionamento de um motor de indução trifásico. Neste último diagrama, os dispositivos de acionamento e de proteção comportam-se como se formassem uma chave de partida direta do motor, responsável pelo acionamento direto do motor. Com base nessas informações, julgue o item a seguir, a respeito de acionamentos elétricos.
Utilizando-se os componentes do circuito de comando e seguindo os procedimentos normais para acionamento e parada do motor, o desligamento do motor deve ser feito pressionando-se primeiro o botão de impulso S1 e, logo em seguida, o botão S0.
Provas

A figura acima mostra um diagrama de força e comando, que corresponde a um método de partida
Provas
Ao acionar um motor de indução trifásico utilizando uma chave de partida compensadora no TAP de 85%, a redução percentual da corrente de partida, em relação à partida direta, é, aproximadamente,
Provas
As chaves de partida soft-starters são destinadas ao comando de motores e apresentam funções programáveis, que permitem configurar o sistema de acionamento de acordo com as necessidades do usuário. Dentre as funções abaixo, qual NÃO corresponde a uma função disponível nas soft-starters?
Provas
Caderno Container