Foram encontradas 8.137 questões.
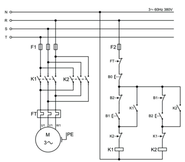
Observe o diagrama da figura a seguir. Com base no diagrama, responda à questão

Qual a diferença entre os componentes de proteção F1 e FT?
Provas
Questão presente nas seguintes provas
Observe o diagrama da figura a seguir. Com base no diagrama, responda à questão

Qual a função do terminal indicado como PE no diagrama?
Provas
Questão presente nas seguintes provas
Observe o diagrama da figura a seguir. Com base no diagrama, responda à questão

Assinale a alternativa verdadeira.
Provas
Questão presente nas seguintes provas
Observe o diagrama da figura a seguir. Com base no diagrama, responda à questão

Assinale a alternativa verdadeira.
Provas
Questão presente nas seguintes provas
Um eletricista conectou um analisador de energia
a uma instalação trifásica. Imediatamente, o visor do
aparelho indicou as potências ativa e reativa, respectivamente, 40,0 kW e 30,0 kVAr. O aparelho indicou também
o fator de potência de 0,80 atrasado. Por algum motivo, o
aparelho não indicou a potência aparente. Qual é o valor
da potência aparente que deveria ser indicada?
Provas
Questão presente nas seguintes provas
Um eletricista conectou em paralelo dois enrolamentos do primário de um transformador. Ao medir a
resistência nos terminais desta conexão com um ohmímetro, registrou o valor de 1,50 ohm. Entretanto, verificou que o nível de tensão seria inadequado e resolveu conectar os dois enrolamentos em série. Caso fosse medir
novamente a resistência nos terminais na nova conexão,
qual seria o valor a ser obtido pelo medidor?
Provas
Questão presente nas seguintes provas
Os motores elétricos são amplamente utilizados na
indústria para a movimentação de máquinas e
equipamentos, e sua correta utilização, através de
projetos e dimensionamentos adequados, são
fundamentais para otimizar os processos produtivos e
reduzir o consumo de energia para minimizar o impacto
ambiental. De acordo com os processos eletroeletrônicos
industriais, a principal função do inversor de frequência é:
Provas
Questão presente nas seguintes provas
No trabalho do eletricista automotivo, o
armazenamento, a conservação e o uso correto dos
materiais e equipamentos são essenciais para
garantir a segurança, a durabilidade das ferramentas
e a qualidade dos serviços prestados. Sobre esses
cuidados, podemos afirmar, EXCETO que:
Provas
Questão presente nas seguintes provas
Durante a manutenção dos sistemas de
iluminação, sinalização e instrumentos do painel de
veículos leves e pesados, o eletricista automotivo
deve seguir procedimentos técnicos adequados para
garantir o funcionamento seguro e eficiente desses
sistemas. Sobre o assunto, podemos afirmar,
EXCETO que:
Provas
Questão presente nas seguintes provas
Durante uma manutenção elétrica automotiva, o
eletricista deve verificar o funcionamento das velas
de ignição, sensores e bicos injetores, pois esses
componentes são fundamentais para o desempenho
do motor e estão diretamente relacionados ao
sistema elétrico e eletrônico do veículo. Sobre os
procedimentos de verificação e troca desses
componentes, marque a alternativa INCORRETA:
Provas
Questão presente nas seguintes provas
Cadernos
Caderno Container