Foram encontradas 633 questões.
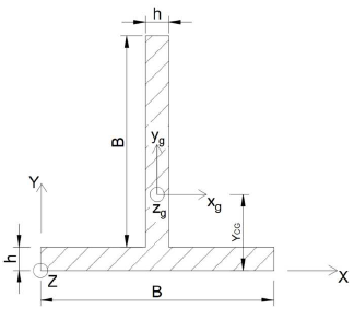
Considere a seção transversal ("T") indicada na figura a seguir:

Assinale a alternativa que representa a coordenada Y do seu centro de gravidade !$ (Y_{CG}) !$ e o momento de inércia em torno do eixo !$ x_G, !$ que está posicionado no centro de gravidade da figura !$ (I_{x_g}). !$
Provas
Com relação ao método das tensões admissíveis que é conceitualmente diferente do método dos estados limites, pode-se afirmar:
Provas
Na gestão de trabalho por meio do Microsoft Project é possível vincular os tipos de tarefas presentes no projeto em diferentes interdependências, definindo o início de cada etapa de acordo com o tipo de vínculo.
Sobre os tipos de vínculo presentes, assinale a alternativa correta.
Provas
Caderno Container