Magna Concursos

Foram encontradas 665 questões.

768612 Ano: 2019
Disciplina: Engenharia Elétrica
Banca: CESGRANRIO
Orgão: UNIRIO
Provas:
Uma subestação industrial, alimentada com tensão de linha de 13,8 kV, utiliza para a medição de tarifação um transformador de potencial (TP) de 13800/115 V, que introduz um erro de relação de -0,2%.
Quando um voltímetro ideal, conectado no secundário do TP, indica uma tensão de 114 V, o valor verdadeiro da tensão no primário do TP, em volts, é
 

Provas

Questão presente nas seguintes provas
768611 Ano: 2019
Disciplina: Engenharia Elétrica
Banca: CESGRANRIO
Orgão: UNIRIO
Provas:
Para a correta escolha de um para-raios de resistor não linear a óxido de zinco, faz-se necessária a especificação de uma série de características do para-raios.
Uma dessas características é a Tensão Residual que, segundo a NBR 16050, é descrita como a(o)
 

Provas

Questão presente nas seguintes provas
768610 Ano: 2019
Disciplina: Engenharia Elétrica
Banca: CESGRANRIO
Orgão: UNIRIO
Provas:
A indutância de um sistema magnético hipotético, em função do ângulo θ, é dada pelo gráfico abaixo.
Enunciado 768610-1

Considerando-se que não haja perdas, e que uma corrente de 5 A circule no sistema, o valor da energia, em joules, para θ = π/4 é
 

Provas

Questão presente nas seguintes provas
768609 Ano: 2019
Disciplina: Engenharia Elétrica
Banca: CESGRANRIO
Orgão: UNIRIO
Provas:
Um sistema linear, causal e discreto tem como resposta ao impulso unitário a expressão
h(n) = [5(2)n + 10(3)n-1]u(n-1)+8δ(n) onde u(n) é o degrau unitário discreto.
Aplicando-se as propriedades da Transformada Z, a expressão da Função de Transferência H(z) desse sistema é
 

Provas

Questão presente nas seguintes provas
768608 Ano: 2019
Disciplina: Engenharia Elétrica
Banca: CESGRANRIO
Orgão: UNIRIO
Provas:
Um motor síncrono trifásico, ligado em delta, foi submetido aos ensaios DC e em vazio, e seus resultados são apresentados na Tabela a seguir.
Enunciado 768608-1

Diante do exposto, o valor, em W, das perdas por atrito, da ventilação e do núcleo do motor é
 

Provas

Questão presente nas seguintes provas
768607 Ano: 2019
Disciplina: Engenharia Elétrica
Banca: CESGRANRIO
Orgão: UNIRIO
Provas:
A Figura abaixo ilustra um circuito elétrico, sob a forma de um quadripolo, definido pelo retângulo pontilhado, onde os componentes são considerados ideais.
Enunciado 768607-1

Qual é a expressão da impedância de entrada Z11(S) = Enunciado 768607-2 desse circuito?
 

Provas

Questão presente nas seguintes provas
768606 Ano: 2019
Disciplina: Engenharia Elétrica
Banca: CESGRANRIO
Orgão: UNIRIO
Provas:
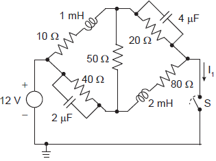
A Figura abaixo ilustra um circuito elétrico em que os componentes são considerados ideais.
Enunciado 768606-1
Em determinado instante, a chave S é fechada. Após algum tempo, supondo-se o circuito operando em regime permanente, qual será o valor da corrente I1, em ampère?
 

Provas

Questão presente nas seguintes provas
768605 Ano: 2019
Disciplina: Engenharia Elétrica
Banca: CESGRANRIO
Orgão: UNIRIO
Provas:
Na Figura a seguir, há a representação de um capacitor de placas paralelas, onde o dielétrico que separa ambas as placas condutivas é composto por duas camadas de materiais diferentes, D1 e D2, com as mesmas espessuras d = 15 mm. As constantes dielétricas ε1 e ε2, respectivamente, dos materiais D1 e D2 são tais que ε1 = 3ε2.
Enunciado 768605-1
Se a esse capacitor for aplicada uma tensão constante VC = 12 V, então, a intensidade de campo elétrico em
 

Provas

Questão presente nas seguintes provas
768604 Ano: 2019
Disciplina: Engenharia Elétrica
Banca: CESGRANRIO
Orgão: UNIRIO
Provas:
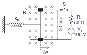
Um aparato experimental, usado para medir a intensidade de campo magnético, é ilustrado na Figura abaixo. Nesse aparato, há dois trilhos condutores paralelos na horizontal, por onde uma barra condutora vertical de 30 cm de comprimento pode deslizar, com força de atrito desprezível, mantendo sempre o contato elétrico com eles. Essa barra vertical está conectada a uma mola ideal que apresenta uma constante elástica kM = 20 N/m.
Enunciado 768604-1
Nesse esquema, quando a chave S do circuito é fechada, observa-se que a barra vertical se desloca por uma distância Δx = 1,5 cm, em relação à posição inicial em que a mola estava relaxada.
Considerando-se que o aparato está imerso em um campo magnético Enunciado 768604-2 uniforme, qual será, em Tesla, a intensidade desse campo?
 

Provas

Questão presente nas seguintes provas
768603 Ano: 2019
Disciplina: Engenharia Elétrica
Banca: CESGRANRIO
Orgão: UNIRIO
Provas:
Duas placas condutoras paralelas são posicionadas a uma distância de 60 cm uma da outra, e a elas é aplicada uma fonte de tensão de 15 kV, conforme ilustrado na Figura a seguir. Considere que a área das placas é suficientemente grande para que o campo elétrico produzido pela fonte de tensão possa ser considerado uniforme na região entre ambas.
Enunciado 768603-1
No interior das placas, uma carga elétrica pontual q1 = + 2,0 μC é movimentada através da trajetória circular ilustrada acima, até atingir o ponto Y.
Dessa forma, o trabalho realizado pela força elétrica que atua sobre a carga q1 ao longo dessa trajetória será, em joules, dado por
 

Provas

Questão presente nas seguintes provas