Foram encontradas 50 questões.
Considere um transformador monofásico com tensões 1.000/100 V, corrente nominal do secundário igual a 10 A e resistência do enrolamento primário igual a 1 !$ \Omega !$.
No ensaio de curto-circuito, a potência registrada pelo wattímetro ligado no primário é 100 W. O valor da resistência do enrolamento secundário é:
Provas
O sistema numérico binário é o mais importante em sistemas digitais; os computadores manipulam e armazenam informações e dados em grupos de bits, que recebem denominações específicas para agrupamento de 4, 8, 16 e 32 bits.
Qual o valor em hexadecimal do nible menos significativo do número binário 1101101110010101?
Provas
As operações aritméticas são fundamentais nos computadores digitais, sendo A = 1001 e B = 0010, e representam dois números em binário.
O resultado em binário de A – B é:
Provas
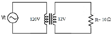
Analise o circuito elétrico de um transformador monofásico ideal ilustrado na figura a seguir.

A partir das informações do circuito, a resistência de carga R referida ao primário é:
Provas
Analise o circuito elétrico em regime permanente ilustrado na figura a seguir.

A partir das informações do circuito, a corrente elétrica I1 é igual a
Provas
Analise o circuito da figura a seguir, da família TTL padrão, cujo atraso típico de propagação é 10 ns.

Considere S1 no intervalo 1 em nível alto (S1 = +VCC).
De acordo com a lógica de funcionamento do circuito e dos níveis lógicos no ponto A, os intervalos em que S1 estará no nível lógico zero (S1 = 0) serão:
Provas
Analise o circuito elétrico em regime permanente da figura abaixo e o gráfico da corrente elétrica i que o atravessa.

A partir das informações do circuito e do gráfico da corrente i, o gráfico que representa a forma de onda da tensão sobre XL (VXL) é:
Provas
Um transformador monofásico possui resistência percentual igual a 1%.
Considere:
I - Potência do transformador 1 kVA;
II - Tensão no secundário 100 V.
De acordo com as informações anteriores, a resistência desse transformador referida ao secundário é igual a
Provas
Os equipamentos microprocessados utilizam-se de linguagens específicas para programações.
São muito utilizadas as linguagens via blocos lógicos e as equações booleanas.

De acordo com a figura acima, a equação booleana que representa o circuito é:
Provas
Analise o circuito da figura abaixo.

A partir das informações do circuito, a corrente elétrica no ramo AB é igual a
Provas
Caderno Container