Foram encontradas 50 questões.
Um dos motores de indução monofásicos de gaiola mais empregados é o do tipo fase dividida com partida a capacitor. São características desse motor:
I. Possui chave centrífuga que desliga o capacitor quando o motor acelera, após a partida.
II. Tem um torque de partida relativamente elevado, cerca de 3,5 a 4,5 vezes o seu torque nominal.
III. Para inverter seu sentido de rotação, é necessário inverter a polaridade do enrolamento auxiliar.
Quais estão corretas?
Provas
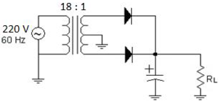
Considerando o circuito da fonte de alimentação da figura 7, analise as assertivas abaixo:
I. A retificação é do tipo onda-completa.
II. Os diodos limitam a tensão na carga em 5V.
III. A função do capacitor é a de reduzir a ondulação da tensão na saída.

Figura 7
Quais são corretas?
Provas
- Transformadores e Máquinas ElétricasMáquinas EstáticasTransformadores Trifásicos e Autotransformadores
Para que tenhamos uma tensão Vs de 12V no autotransformador da figura 6, que possui um total de 360 espiras, em que espira deve ser conectado o terminal A?

Figura 6
Provas
Uma alternativa para reduzir a corrente de partida em motores de indução trifásicos de gaiola é o uso de chave estrelatriângulo. Essa solução, porém, apresenta alguns aspectos negativos, como:
I. Seu uso fica restrito a aplicações que tenham baixo torque resistente, porque a redução da tensão sobre o motor reduz o seu torque para menos de 50% do seu torque nominal no momento da partida.
II. A chave sobreaquece em casos de operações sucessivas em um curto espaço de tempo.
III. Só pode ser usada em motores de indução trifásicos de gaiola que tenham tripla tensão nominal, ou seja, 12 terminais acessíveis.
Quais estão corretos?
Provas
Como encarregado da manutenção de uma instalação, você deve zelar pelo estado de conservação e integridade dos equipamentos, promovendo ações preventivas nesse sentido, fazendo medições e coletando parâmetros periodicamente. No tocante à proteção de motores de indução, qual das situações NÃO é relevante?
Provas
Relacione a Coluna 1 à Coluna 2, associando os equipamentos de manobra e proteção em BT com suas respectivas funções.
Coluna 1
1. Fuzível.
2. Disjuntor termomagnético.
3. Dispositivo DR (Diferencial-Residual).
4. Contator.
5. Dispositivo de Proteção contra Surtos (DPS).
6. Seccionador.
Coluna 2
( ) Proteção contra sobretensões transitórias.
( ) Dispositivo de comando com fechamento e abertura que não deve ser manobrado com carga.
( ) Dispositivo de manobra e proteção contra correntes de sobrecarga e de curto circuito.
( ) Proteção contra contatos indiretos.
( ) Proteção de linhas e dispositivos de comando contra curto-circuito, atuando também como limitador de corrente de curto-circuito.
A ordem correta de preenchimento dos parênteses, de cima para baixo, é:
Provas
Para dimensionar os componentes K1 e FT1 do acionamento representado na figura 5, qual a corrente a ser considerada?

Provas
Para melhorar o fator de potência de uma instalação elétrica, deve-se atuar sobre os motores de indução de forma a
Provas
Seguindo o preconizado pela NBR 5410 (Instalações elétricas de baixa tensão), qual deve ser a seção mínima dos condutores do circuito 2 da figura 4, considerando condutores de cobre isolados em PVC e tensão nominal de 127 V?
Provas
Analise as afirmações abaixo sobre os elementos indicados na figura 4, que trata de um fragmento de projeto elétrico, e assinale V, se verdadeiras, ou F, se falsas.

Figura 4
( ) 1 – Identifica um quadro geral de luz e força aparente. (QD).
( ) 2 – Indica a seção nominal dos condutores dos circuitos em milímetros quadrados.
( ) 3 – Identifica o circuito 1 no trecho onde é constituído pelos condutores neutro, fase, retorno e proteção.
( ) 4 – Identifica uma tomada de corrente fase/fase baixa (300 mm do piso acabado), de 600 VA, alimentada pelo circuito 2.
( ) 5 – Indica que o diâmetro nominal do eletroduto é 20 (vinte) milímetros. A ordem correta de preenchimento dos parênteses, de cima
para baixo, é:
Provas
Caderno Container