Foram encontradas 2.550 questões.
A manutenção produtiva total (TPM) é uma metodologia utilizada em processos de manutenção, cujo objetivo básico é garantir a integração entre os vários setores do processo produtivo. Essa característica marcante assegurou aos operadores um maior conhecimento dos equipamentos e de suas funções. O TPM baseia sua sustentação em oito pilares:
- manutenção autônoma;
- manutenção planejada;
- melhorias específicas;
- educação e treinamento;
- manutenção da qualidade;
- controle inicial;
- melhoria dos processos administrativos (TPM administrativo);
- segurança, saúde e meio ambiente (TPM – segurança, higiene e meio ambiente)
Considerando os princípios básicos do TPM, seus pilares e as características do RCM, julgue o item a seguir.
A manutenibilidade de um conjunto de equipamentos de uma instalação industrial está diretamente relacionada à sua operação, haja vista o objetivo de manter ou reestabelecer o estado operacional dos equipamentos após a ocorrência de uma falha.
Provas
Uma equipe responsável pela manutenção de um equipamento X constatou os seguintes valores associados aos levantamentos dos tempos relativos às falhas identificadas:
MTBF (tempo médio entre falhas) = 960 horas
MTTR (tempo médio até o reparo) = 6 horas
Com base nessas informações, julgue o item seguinte.
A probabilidade de que o equipamento X encontre-se em estado operacional e disponível para a produção no sistema industrial ao qual pertence é maior que 99%.
Provas
Texto para o item a seguir.
Sabe-se que a indisponibilidade de equipamentos e sistemas pode afetar a capacidade produtiva de uma instalação industrial, aumentando custos e interferindo na qualidade do produto. Além disso, as falhas podem acarretar comprometimentos importantes não só para a imagem das empresas, mas podem, também, comprometer a segurança das pessoas, do patrimônio e do meio ambiente.
A manutenção das instalações industriais passou a ter uma importância estratégica. Em razão dessa importância, passou-se a adotar características de prevenção e de predição cada vez mais apuradas. A manutenção centrada em confiabilidade, também chamada de RCM (reliability centred maintenance), migrou de indústrias aeronáuticas para outras indústrias durante as duas últimas décadas e vem conquistando cada vez mais adeptos, sendo baseada, em parte, na otimização da manutenção a partir do comportamento da taxa de falha.
Uma das formas de se representar o comportamento da taxa de falha de um equipamento ao longo do tempo é realizada por meio da curva da banheira, conforme apresenta a figura abaixo.

Considerando, para um equipamento X, a curva da banheira apresentada, além dos conceitos e práticas que sustentam a metodologia RCM, julgue o item a seguir.
Considerando-se que na fase de mortalidade senil, em que \( t \gg t_2 \), o fator de forma de um equipamento X possua um valor bem maior que 1, a melhor estratégia de manutenção será a corretiva, que consiste em devolver as características originais de funcionamento ao equipamento após a constatação da falha.
Provas
Texto para o item a seguir.
Sabe-se que a indisponibilidade de equipamentos e sistemas pode afetar a capacidade produtiva de uma instalação industrial, aumentando custos e interferindo na qualidade do produto. Além disso, as falhas podem acarretar comprometimentos importantes não só para a imagem das empresas, mas podem, também, comprometer a segurança das pessoas, do patrimônio e do meio ambiente.
A manutenção das instalações industriais passou a ter uma importância estratégica. Em razão dessa importância, passou-se a adotar características de prevenção e de predição cada vez mais apuradas. A manutenção centrada em confiabilidade, também chamada de RCM (reliability centred maintenance), migrou de indústrias aeronáuticas para outras indústrias durante as duas últimas décadas e vem conquistando cada vez mais adeptos, sendo baseada, em parte, na otimização da manutenção a partir do comportamento da taxa de falha.
Uma das formas de se representar o comportamento da taxa de falha de um equipamento ao longo do tempo é realizada por meio da curva da banheira, conforme apresenta a figura abaixo.

Considerando, para um equipamento X, a curva da banheira apresentada, além dos conceitos e práticas que sustentam a metodologia RCM, julgue o item a seguir.
Durante o período de vida útil do equipamento X, entre t1 e t2, as falhas normalmente ocorrem por causas aleatórias, externas ao sistema, indicando a manutenção preditiva como a melhor estratégia a ser adotada durante esse período.
Provas
Texto para o item a seguir.
Sabe-se que a indisponibilidade de equipamentos e sistemas pode afetar a capacidade produtiva de uma instalação industrial, aumentando custos e interferindo na qualidade do produto. Além disso, as falhas podem acarretar comprometimentos importantes não só para a imagem das empresas, mas podem, também, comprometer a segurança das pessoas, do patrimônio e do meio ambiente.
A manutenção das instalações industriais passou a ter uma importância estratégica. Em razão dessa importância, passou-se a adotar características de prevenção e de predição cada vez mais apuradas. A manutenção centrada em confiabilidade, também chamada de RCM (reliability centred maintenance), migrou de indústrias aeronáuticas para outras indústrias durante as duas últimas décadas e vem conquistando cada vez mais adeptos, sendo baseada, em parte, na otimização da manutenção a partir do comportamento da taxa de falha.
Uma das formas de se representar o comportamento da taxa de falha de um equipamento ao longo do tempo é realizada por meio da curva da banheira, conforme apresenta a figura abaixo.

Considerando, para um equipamento X, a curva da banheira apresentada, além dos conceitos e práticas que sustentam a metodologia RCM, julgue o item a seguir.
Se o sistema de um equipamento X possuir dados de vida que se ajustem a uma função de distribuição de probabilidade normal, então a confiabilidade da manutenção considerará tempos de falhas originados de causas que se somam.
Provas

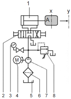
Com referência ao diagrama esquemático do circuito hidráulico mostrado na figura acima, julgue o item a seguir.
Nesse circuito, o atuador 1 moverá o objeto A da posição X para a posição Y por meio do acionamento da válvula 2, operada por um solenoide.
Provas

Com referência ao diagrama esquemático do circuito hidráulico mostrado na figura acima, julgue o item a seguir.
A válvula 2 é uma válvula de quatro vias e três posições de centro aberto.
Provas
No que tange aos princípios de funcionamento das máquinas de fluxo, julgue o item a seguir.
Considere que a tabela abaixo forneça os dados de altura manométrica, H, e vazão, Q, da curva característica de uma bomba centrífuga.
|
Q [m3/h] |
0 | 40 | 80 | 120 | 160 | 200 |
|
H [m] |
32,5 | 32 | 30,5 | 28 | 24,5 | 20 |
Nessa situação, o gráfico a seguir mostra, corretamente, a vazão resultante da associação em série de duas dessas bombas.

Provas
No que tange aos princípios de funcionamento das máquinas de fluxo, julgue o item a seguir.
Nas bombas de deslocamento positivo, a vazão teórica descarregada de um fluido incompressível pode ser variada somente pela alteração da velocidade do motor de acionamento.
Provas
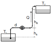
No que tange aos princípios de funcionamento das máquinas de fluxo, julgue o item a seguir.
Na instalação de bombeamento, esquematizada na figura abaixo, uma turbobomba B faz o bombeamento de água de um tanque T1 a um tanque T2 , a uma vazão volumétrica Q. A tubulação tem diâmetro d e comprimento L e as alturas de sucção e recalque são hS e hR, respectivamente. Considerando essas informações, é correto afirmar que a perda de carga nessa instalação será independente do perfil de velocidade do escoamento, mas estará sujeita à diferença de altura, H = hS + hR , entre os tanques.

Provas
Caderno Container