Foram encontradas 2.550 questões.

Com base na figura acima, que representa o circuito básico de um inversor com capacitor, que permite a conversão de tensão contínua para alternada, julgue os itens seguintes.
Estando a chave S1 fechada e S2 aberta, a tensão na carga será negativa.
Provas
Considerando as modificações, ao longo dos anos, dos sistemas de proteção das redes elétricas em alta tensão, como a substituição de relés eletromecânicos por digitais, julgue os itens que se seguem.
A substituição de relés eletromecânicos por relés digitais justifica-se, principalmente, em razão do menor custo destes em relação àqueles.
Provas
Considerando as modificações, ao longo dos anos, dos sistemas de proteção das redes elétricas em alta tensão, como a substituição de relés eletromecânicos por digitais, julgue os itens que se seguem.
A substituição de relés eletromecânicos por digitais é bastante vantajosa para a proteção de distância de linhas de transmissão, pois, por serem microprocessados, os relés digitais permitem localizar vários tipos de falta, função inexistente nos relés eletromecânicos.
Provas
Considerando que uma subestação tenha apenas dois barramentos ligados em arranjo de barra do tipo disjuntor e meio, julgue os próximos itens.
Uma falta em apenas uma das barras poderá ser eliminada pela ação do sistema de proteção, não havendo necessidade de desligamento de circuitos que chegam ou saem da subestação.
Provas
Considerando que uma subestação tenha apenas dois barramentos ligados em arranjo de barra do tipo disjuntor e meio, julgue os próximos itens.
Por apresentar custos relativamente baixos em relação a outros tipos de arranjos, o arranjo do tipo disjuntor e meio é recomendado para subestações de subtransmissão, com tensões inferiores a 230 kV.
Provas

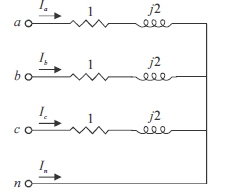
Considerando que a carga mostrada na figura acima seja alimentada por tensão trifásica, equilibrada e simétrica, cujo valor de linha seja igual a 200 V, que o condutor n seja o neutro e os demais sejam condutores de fase, e que todos os valores de impedância estejam em ohms, julgue os itens a seguir.
A magnitude da corrente de linha exigida pela carga é inferior a 50 A.
Provas

Considerando que a carga mostrada na figura acima seja alimentada por tensão trifásica, equilibrada e simétrica, cujo valor de linha seja igual a 200 V, que o condutor n seja o neutro e os demais sejam condutores de fase, e que todos os valores de impedância estejam em ohms, julgue os itens a seguir.
As componentes de sequência positiva e de sequência negativa das correntes de fase da carga são diferentes de zero, mas a componente de sequência zero dessas correntes é nula.
Provas

O sistema elétrico de potência representado acima opera em regime permanente com tensão nominal em todas as barras. Todos os dados em pu indicados no diagrama unifilar foram obtidos a partir de uma base de potência de 100 MVA e de tensão no gerador G1 de 10 kV. Para efeito de análise e de cálculos, somente reatâncias devem ser consideradas. Os dados de cada reatância são fornecidos abaixo do símbolo de cada equipamento. No transformador, todas as reatâncias de sequência são iguais, assim como na linha de transmissão (LT) e no gerador equivalente. No gerador G1, a reatância de sequência positiva é igual à de sequência negativa. Com base nessas informações, julgue os itens subsequentes.
A reatância da LT, em ohms, é igual a 5.
Provas

O sistema elétrico de potência representado acima opera em regime permanente com tensão nominal em todas as barras. Todos os dados em pu indicados no diagrama unifilar foram obtidos a partir de uma base de potência de 100 MVA e de tensão no gerador G1 de 10 kV. Para efeito de análise e de cálculos, somente reatâncias devem ser consideradas. Os dados de cada reatância são fornecidos abaixo do símbolo de cada equipamento. No transformador, todas as reatâncias de sequência são iguais, assim como na linha de transmissão (LT) e no gerador equivalente. No gerador G1, a reatância de sequência positiva é igual à de sequência negativa. Com base nessas informações, julgue os itens subsequentes.
Se ocorrer uma falta trifásica na barra 2, sem resistência de falta, a magnitude da corrente de falta em pu nessa barra será inferior à corrente de falta trifásica na barra 3, também sem resistência de falta.
Provas

O sistema elétrico de potência representado acima opera em regime permanente com tensão nominal em todas as barras. Todos os dados em pu indicados no diagrama unifilar foram obtidos a partir de uma base de potência de 100 MVA e de tensão no gerador G1 de 10 kV. Para efeito de análise e de cálculos, somente reatâncias devem ser consideradas. Os dados de cada reatância são fornecidos abaixo do símbolo de cada equipamento. No transformador, todas as reatâncias de sequência são iguais, assim como na linha de transmissão (LT) e no gerador equivalente. No gerador G1, a reatância de sequência positiva é igual à de sequência negativa. Com base nessas informações, julgue os itens subsequentes.
Uma falta fase-fase (bifásica) na barra 3, não tem nenhuma influência da reatância de sequência zero do gerador equivalente que está ligado a essa barra.
Provas
Caderno Container